EasyManua.ls Logo

Binks 104016 - Dimensions and Mounting Details; Mounting Locations

Binks 104016
24 pages
Print Icon
To Next Page IconTo Next Page
To Next Page IconTo Next Page
To Previous Page IconTo Previous Page
To Previous Page IconTo Previous Page
Loading...
EN
3/8" BSP/NPS
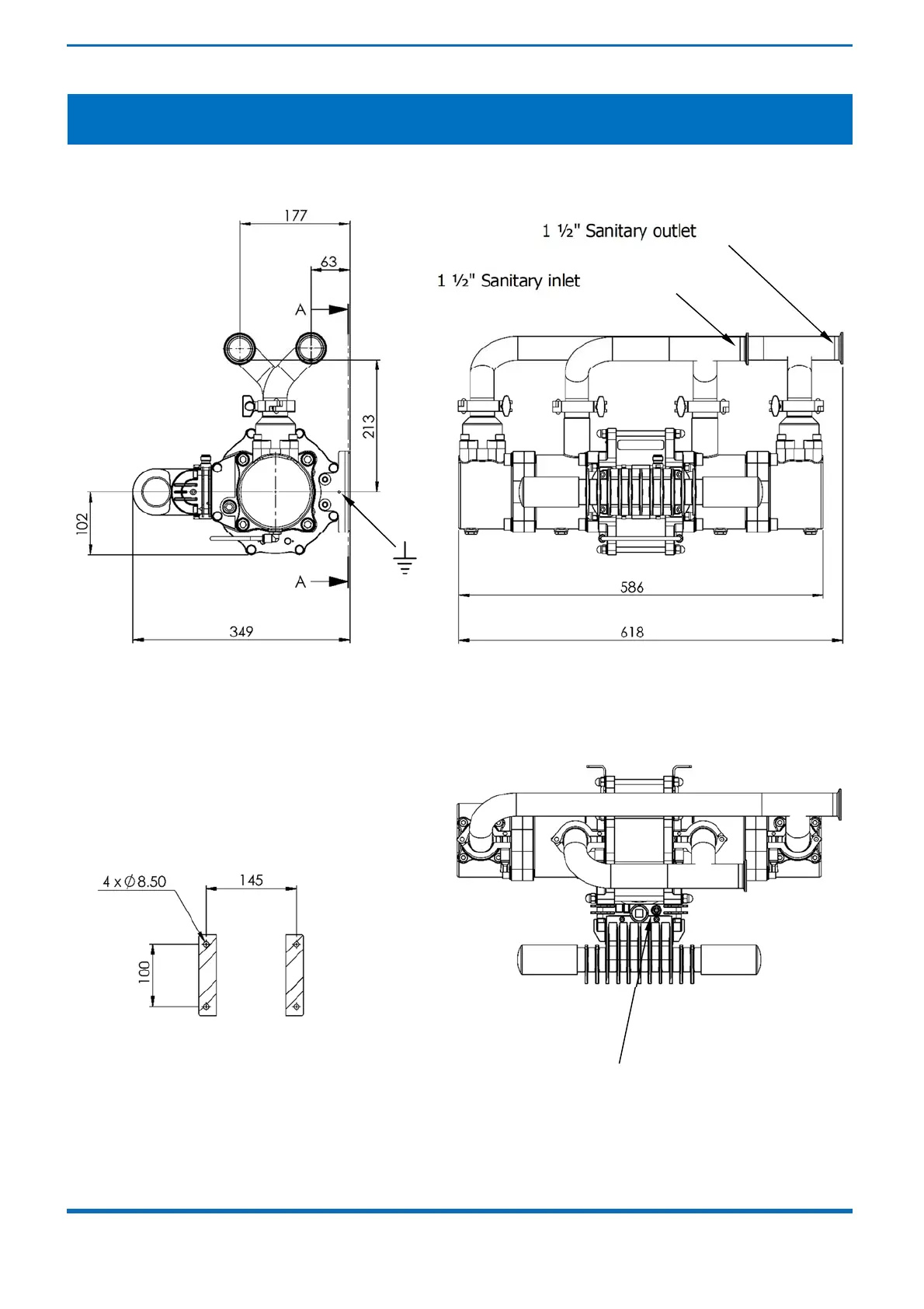
Dimensions and Mounting Details
MOUNTING LOCATIONS
SECTION A-A
Air Inlet
1 ½" Sanitary inlet
1 ½" Sanitary outlet
77-3235 R4.6 5/24 www.carlisleft.com

Related product manuals