EasyManua.ls Logo

Binks 104016 - Page 9

Binks 104016
24 pages
Print Icon
To Next Page IconTo Next Page
To Next Page IconTo Next Page
To Previous Page IconTo Previous Page
To Previous Page IconTo Previous Page
Loading...
EN
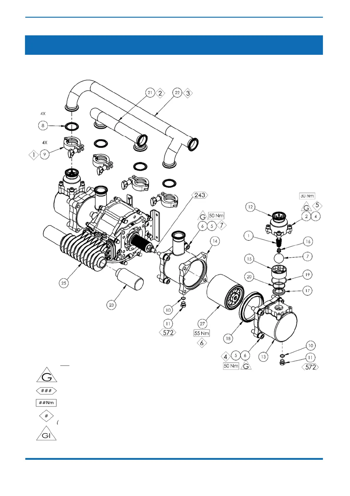
Pump Assembly
KEY
LOCTITE
TORQUE
MAINTENANCE ORDER
(Reverse for assembly)
GREASE INTERNAL
(AGMD-010)
GREASE
(AGMD-010)
77-3235 R4.6 9/24 www.carlisleft.com

Related product manuals