EasyManua.ls Logo

Binks 84-598 - Control Method Diagrams; Manual Control Method - Open Loop; Automatic Control Method - Open Loop

Binks 84-598
8 pages
Print Icon
To Next Page IconTo Next Page
To Next Page IconTo Next Page
To Previous Page IconTo Previous Page
To Previous Page IconTo Previous Page
Loading...
6
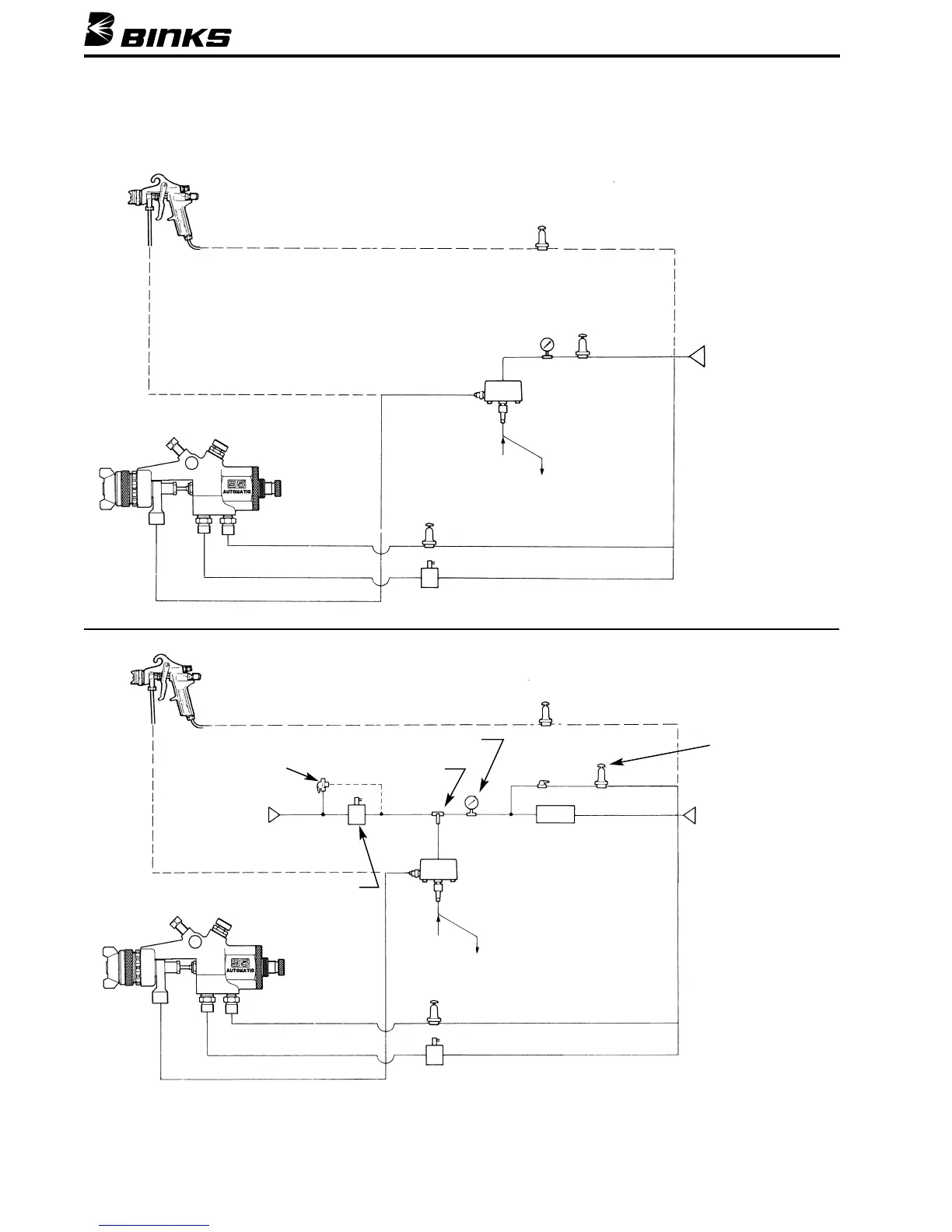
Binks MODELS 84-598 & 84-599 REMOTE FLUID PRESSURE REGULATORS
MANUAL CONTROL METHOD – OPEN LOOP
AUTOMATIC CONTROL METHOD – OPEN LOOP
Atomizing Air
Pressure Regulator
Manual
Air Pressure
Regulator
(37-1004)
Air Supply
(0-100 psi)
Control
Air Pressure
Fluid
Regulator
84-598 or
84-599
Unregulated
Fluid
Fluid
Recirculating
Line
(If required)
Pressure
Regulator
Electric Solenoid
ATOMIZING AIR
TRIGGER ON/OFF AIR
REGULATED FLUID
REGULATED FLUID
Manual 3-Way
Hand Valve
(Optional)
Shuttle Valve
97-261
I/P or E/P
Transducer
Ball Valve
(Optional)
Atomizing Air
Pressure Regulator
Manual Pressure
Regulator
(Optional)
Air Supply
(0-100 psi)
Air Supply
(0-100 psi)
Control Air Pressure
Fluid
Regulator
84-598 or 84-599
Unregulated
Fluid
Fluid Recirculating
Line
(If required)
Pressure Regulator
Electric Solenoid
Electric Solenoid
(For quick, easy flush)
ATOMIZING AIR
TRIGGER ON/OFF AIR

Related product manuals