EasyManua.ls Logo

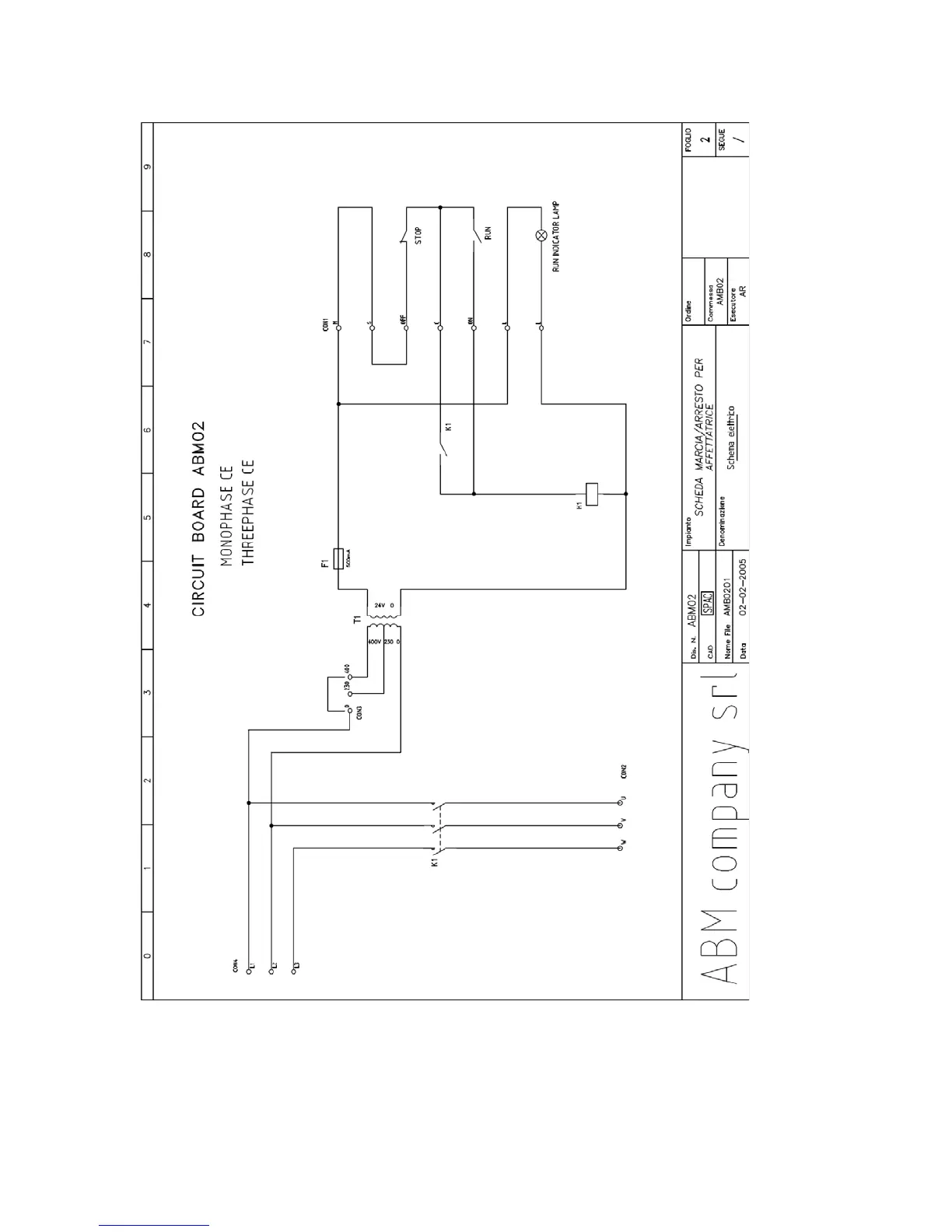
BIRO B350M - ELECTRICAL DIAGRAM

Default Icon
36 pages
Print Icon
To Next Page IconTo Next Page
To Next Page IconTo Next Page
To Previous Page IconTo Previous Page
To Previous Page IconTo Previous Page
Loading...
ELECTRICAL DIAGRAM
25

Other manuals for BIRO B350M