EasyManua.ls Logo

Bitzer 2KTE - Page 24

Bitzer 2KTE
48 pages
Print Icon
To Next Page IconTo Next Page
To Next Page IconTo Next Page
To Previous Page IconTo Previous Page
To Previous Page IconTo Previous Page
Loading...
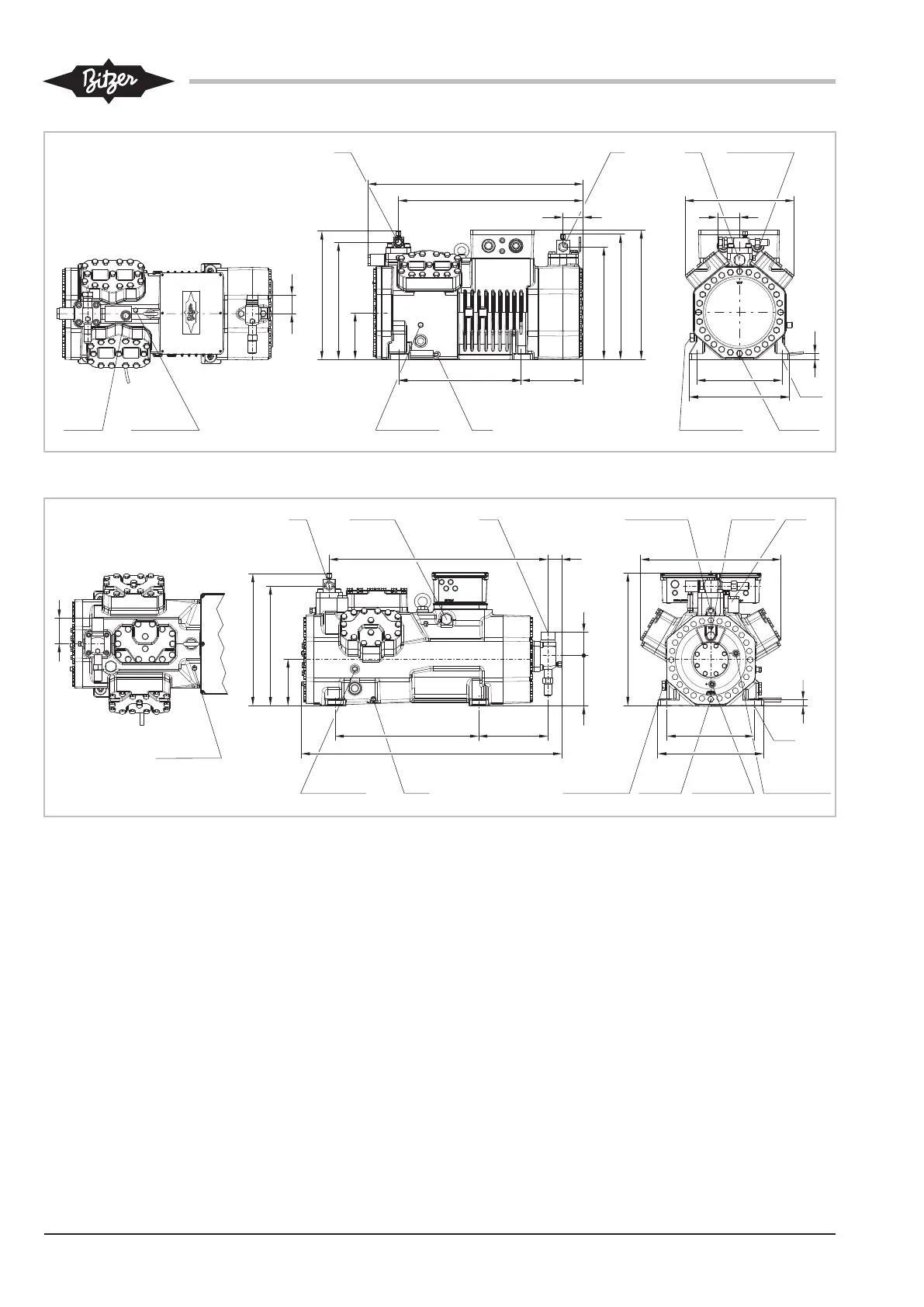
KB-130-724
1/4-18 NPTF
1 (HP)
M10x1,5
Ø21
6
1/4-18 NPTF
645
553
60
336
375
351
142
185367
5
Ø12
10
1/2-14 NPTF
9
22
326
69
19
256
300
DL
SL
23
3 (LP)
57
385
389
1/8-27 NPTFM22x1,5
Abb.6: Maßzeichnung 4FTC-30(L)K .. 4CTC-30(L)K
M20x1,51/4-18 NPTF
1 (HP)
M10x1,5
6
1/4-18 NPTF
5
Ø12
10
1/2-14 NPTF
9
22
438
DL
SL23
3 (LP)
1/8-27 NPTF
M22x1,5
Ø21
21
280
322
415
75
222
810
450
44
681
145
374
413
80
11
7/16-20 UNF
12
7/16-20 UNF
16
155
Abb.7: Maßzeichnung 6FTE-35(L)K .. 6CTE-50(L)K

Table of Contents

Related product manuals