EasyManua.ls Logo

Bitzer SE-i1 - Page 49

Bitzer SE-i1
56 pages
Print Icon
To Next Page IconTo Next Page
To Next Page IconTo Next Page
To Previous Page IconTo Previous Page
To Previous Page IconTo Previous Page
Loading...
CT-110-2 49
4321 876
5
13
1211
109
14
15
16
17
18 19 20
21 22 23 24 25 26
F2
L1
L2
L3
PE
F1
Q1
1
0
K1
11
K2
26
F13
11
F17
230V
T1
F3 4A T
PE
S1
01
4/4/4/21
22/29
23
1
2
3
7
8
9
M3~
M1
T2
R3..8
T1
H1
2/2/2/26
27
K3T
max. 0,5 s
K1
black/schwarz
brown/braun
blue/blau
Y6
Y7
CR3 CR4
K2
26
K2
26
K1
11
8/25/28
32
R1
F4
K1
11
26
F14
11
K2
K3T
12
UU
H2
K2T
300 s
24
K1
11
11
K2T
25
1 2
Signal
Not in use
GND
Signal
GND
PTC-2
Signal
Signal
GND
Signal
GND
+24V Signal
DATA+
DATA-
GND
5 6 7 9 10 1213 1516 202122 23
SE-i1
F13
2
B2
S2
GND
+24V Signal
3 4
PTC-1
8
GND
11
+5V Signal
14
Signal
GND
1819
+5V Signal
17
Oil flow
OLC/
Oil stop
Mot.
PTC
Toil/
TdisTaux Pdis Psuc COM2
N
PEL
NC
CNO
DATA+
DATA-
GND
COM1
COM3
L1
L2
L3
B6
F5
P>
F6
P<
R2
P
B7
P
R10
2
3
1
2
3
1
K2T
25
F14
4
F7
K4
43
K4T
33
F9
P
Y5
CR2
U
Limit
CR 50%
SU/Limit
CR 25%
K2
26
B1
...
...
...
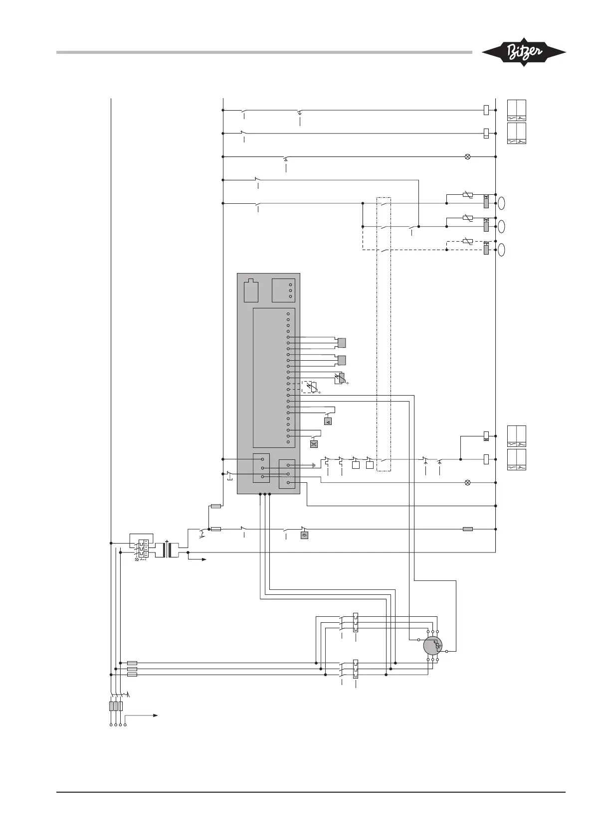
Abb.22: HS.85: PW-Anlauf mit stufenloser Leistungsregelung (kompl. Sensorenbausatz). Pfade 27-44 siehe Abbildung 24, Seite 51

Table of Contents

Related product manuals