EasyManua.ls Logo

Blakeslee B-12 - M-5-1505-E Transmission Assembly

Blakeslee B-12
39 pages
Print Icon
To Next Page IconTo Next Page
To Next Page IconTo Next Page
To Previous Page IconTo Previous Page
To Previous Page IconTo Previous Page
Loading...
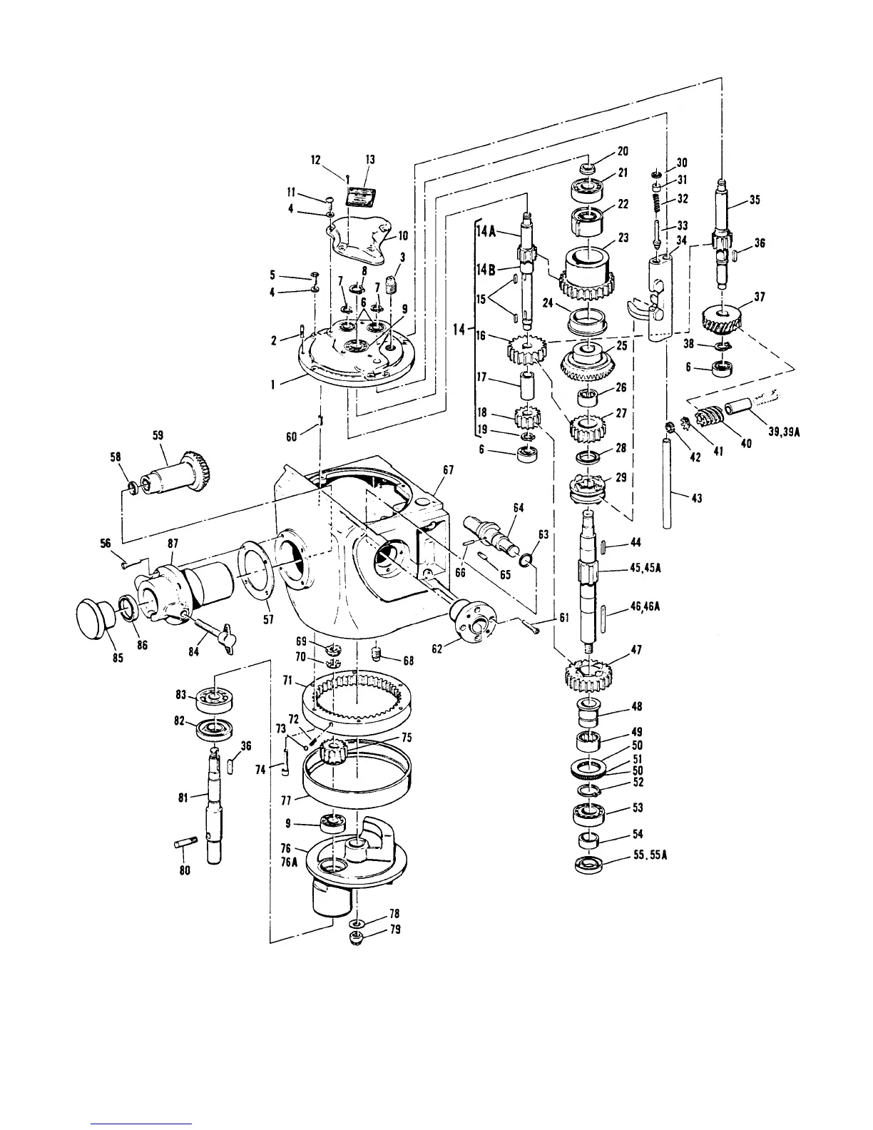
M-5-1505-E TRANSMISSION ASSEMBLY
30

Related product manuals