EasyManua.ls Logo

Blastrac BDC-66 - Spare Parts

Blastrac BDC-66
62 pages
Print Icon
To Next Page IconTo Next Page
To Next Page IconTo Next Page
To Previous Page IconTo Previous Page
To Previous Page IconTo Previous Page
Loading...
4
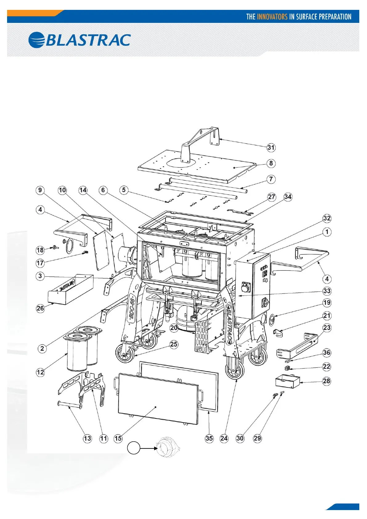
1. Spare parts
Fig. 01
16

Other manuals for Blastrac BDC-66

Related product manuals