EasyManua.ls Logo

Blastrac BDC-66 - Page 54

Blastrac BDC-66
62 pages
Print Icon
To Next Page IconTo Next Page
To Next Page IconTo Next Page
To Previous Page IconTo Previous Page
To Previous Page IconTo Previous Page
Loading...
Page
BDC-66 DUAL VOLTAGE ULCSA
Ed.
13
PJ11.1068.22
PH +
Date
Date
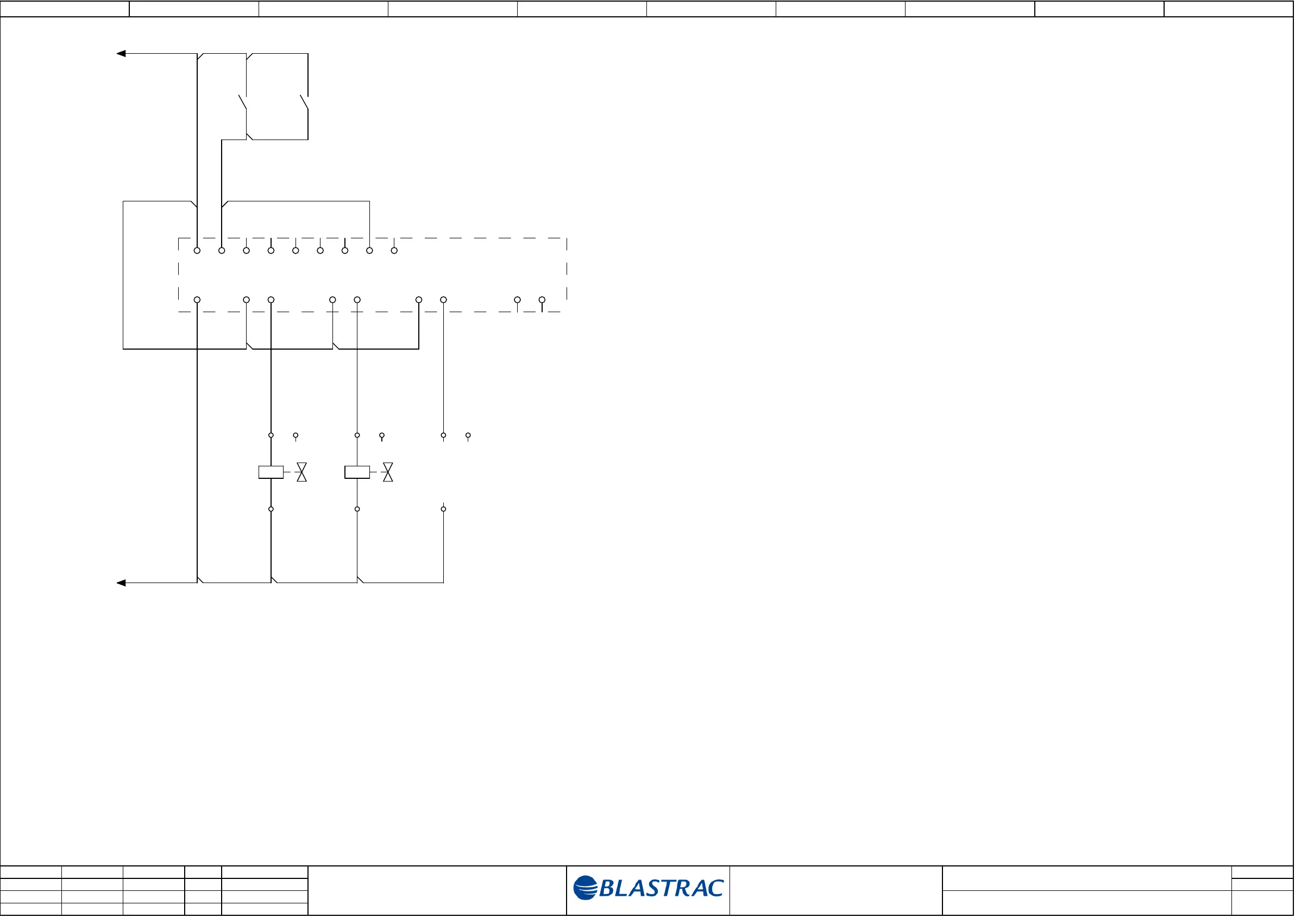
Control Current Zelio PLC
1
Modification
0 76
Appr
8 93
21
4
10-6-2014
14
2
=
Name
5
Blastrac bv
Customer:
Drawing number:
Page description:Project name:
© ART4 Technical Systems, Soest NL
20-12-2016
Last print
E09226/230ULCSA
Air Pulse system
I1 = start signal
I2, I3, I4 = spare start signal
I5 = Timer setting (when not connected than in UL mode)
I6 = Spare timer setting
I7 = 2 pulses for 2 valves system (when not connected 3 valves system)
I8 = spare pulse setting
Spare
14U1
Schneider
ZELIO
12 I/O
SR2B121B
L1
N 1
Q1
2 1
Q2
2 1
Q3
2 1
Q4
2
I1 I2 I3 I4 I5 I6 I7 I8
X1
X2
Y1
X1
X2
Y2
1
14X1
3 5
2
14X1
4 6
13
14
13KM3
13.6
13
14
13KM4
13.7
62
62
62
62 62
91 92 93
63 63
63
63
62 62
9090
90
63
62
PE PE PE
90
24VAC-A
/13.9
24VAC-B
/13.9

Other manuals for Blastrac BDC-66

Related product manuals