EasyManua.ls Logo

BLAUBERG Auto - Auto 100 SH Wiring and Logic

BLAUBERG Auto
16 pages
Print Icon
To Next Page IconTo Next Page
To Next Page IconTo Next Page
To Previous Page IconTo Previous Page
To Previous Page IconTo Previous Page
Loading...
28
Auto 100 SH
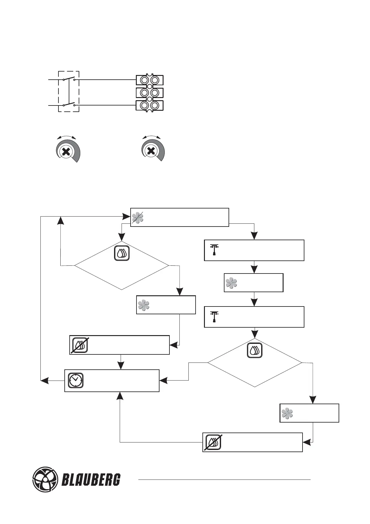
QF - automatic switch
Fig. 15
+
-
2min
30min
T
+
-
60%
90%
H
QF
L
N
LT
N
L
Fan does not run
Turn-off delay timer
starts (2 to 30 min)
Humidity is below
set point
Humidity exceeds
set point
Fan runs
yesno
Fan runs
Humidity is below
set point
Humidity exceeds
set point
Fan runs
Pull cord switch
Pull cord switch
yesno

Related product manuals