EasyManua.ls Logo

Bluetti EP600 - Page 4

Bluetti EP600
21 pages
Print Icon
To Next Page IconTo Next Page
To Next Page IconTo Next Page
To Previous Page IconTo Previous Page
To Previous Page IconTo Previous Page
Loading...
4
NOTES:
For single-phase household appliances with a power larger than 2000W or three-phase loads with a total power larger
than 6000W, such as the Embedded induction cooker and air conditioner ,they need to be connected to the grid.
Through the energy management system, our energy storage system can intelligently output single-phase 2000W or
three-phase 6000W electric energy to household appliances, and the rest of the power supply is provided by the power
grid to achieve the purpose of reducing electricity costs.
The single phase load with power greater than 2000W shall not be connected to the BACKUP terminal.
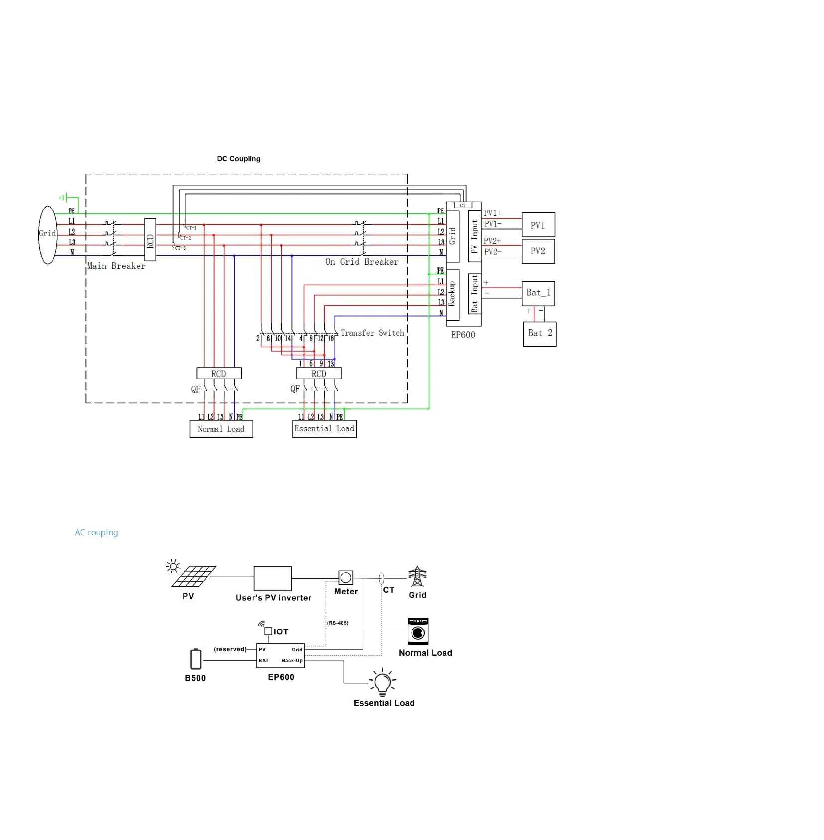
2.2Electrical connection modes 2: AC coupling
If you have a three-phase solar PV inverter, please install a Meter which is in the accessories box.
NOTES:
For single-phase household appliances with a power larger than 2000W or three-phase loads with a total power larger
than 6000W, such as the Embedded induction cooker and air conditioner ,they need to be connected to the grid.

Other manuals for Bluetti EP600

Related product manuals