EasyManua.ls Logo

BOB-CAT 912480 - Deck Accessories Assembly

Default Icon
54 pages
Print Icon
To Next Page IconTo Next Page
To Next Page IconTo Next Page
To Previous Page IconTo Previous Page
To Previous Page IconTo Previous Page
Loading...
50
QUICKCAT
MOWERS
®
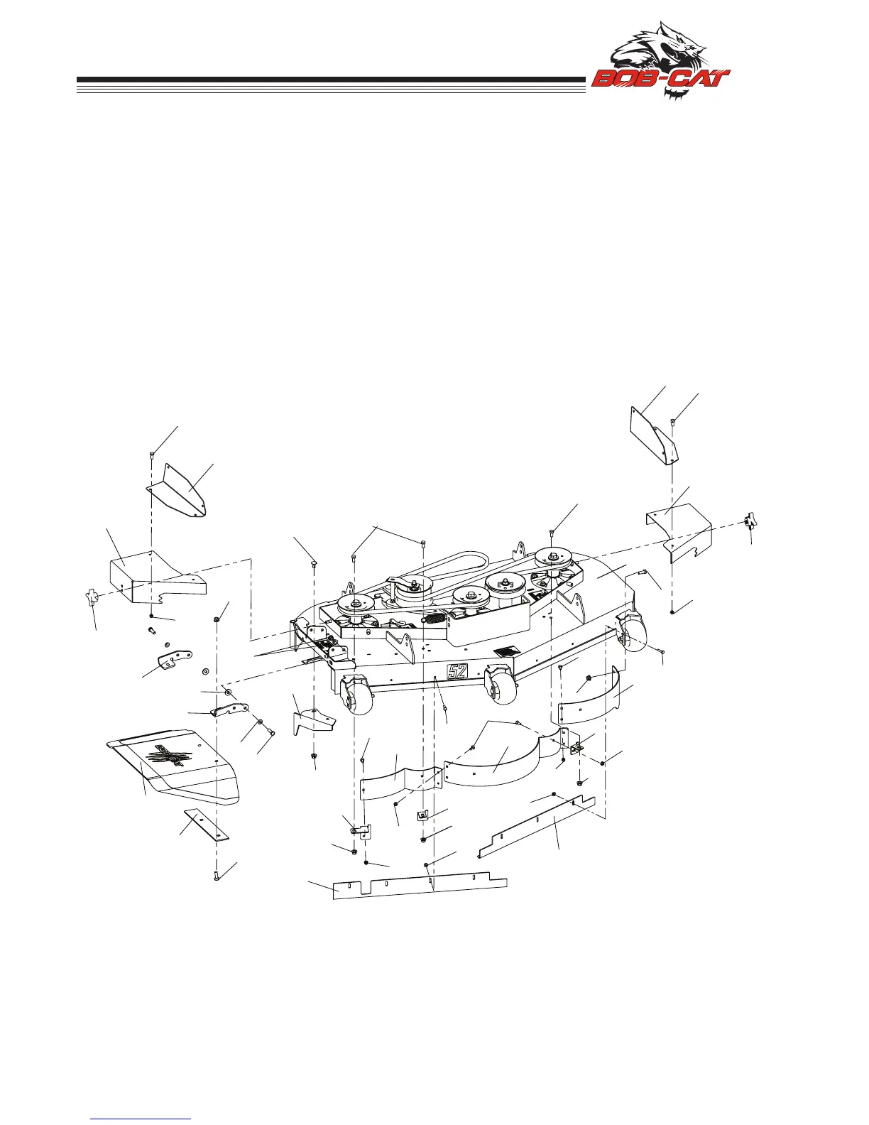
FIGURE 15
CHUTE, BAFFLES & EDGES ASSY
8
9
10
13
16
18
11
15
12
23
14
29
20
20
17
18
27
22
28
19
22
3
26
24
7
2
24
19
24
33
19
25
5
5
19
25
4
6
19
21
33
26
1
19
19
21
31
32
31
32
30
30

Related product manuals