EasyManua.ls Logo

BOC Edwards 412-J - Microvac Pump Installation; Locating and Mounting the Pump; Vacuum Piping Connections

BOC Edwards 412-J
39 pages
Print Icon
To Next Page IconTo Next Page
To Next Page IconTo Next Page
To Previous Page IconTo Previous Page
To Previous Page IconTo Previous Page
Loading...
J SERIES M ICROV A CJ SERIES M ICROV A C VA CUUM PUM P V A CUUM PUM P
PAGE 2 -1
2.02.0 IN STA LLATIONINSTA LLATION
2.12.1 Locating and M ountingLocating and M ount ing
Locate the pump as near as possible to the equipment being evacuated so that the Vacuum,
Water and Exhaust connections can be conveniently made. Provide for adequate space for
convenient servicing where possible.
2.1.2 The pump should be mounted on a rigid foundation, such as a concrete floor, and
made level by shimming or grouting, if necessary. M ount the pump to foundation
w ithout putting a strain or tw ist in the pump housing. See Figure 7 for foundation
mounting dimensions.
2.1.3 Remove cap from exhaust and intake openings only w hen ready to make a piping
connection. Also remove the plastic plug (by unscrewing) from the Gas Ballast
valve. When pump is to be subjected to temperatures below freezing, drain the
w ater jacket through the housing drain plug to prevent cracking the housing, blow
out the w ater jacket. Follow this same procedure for storage.
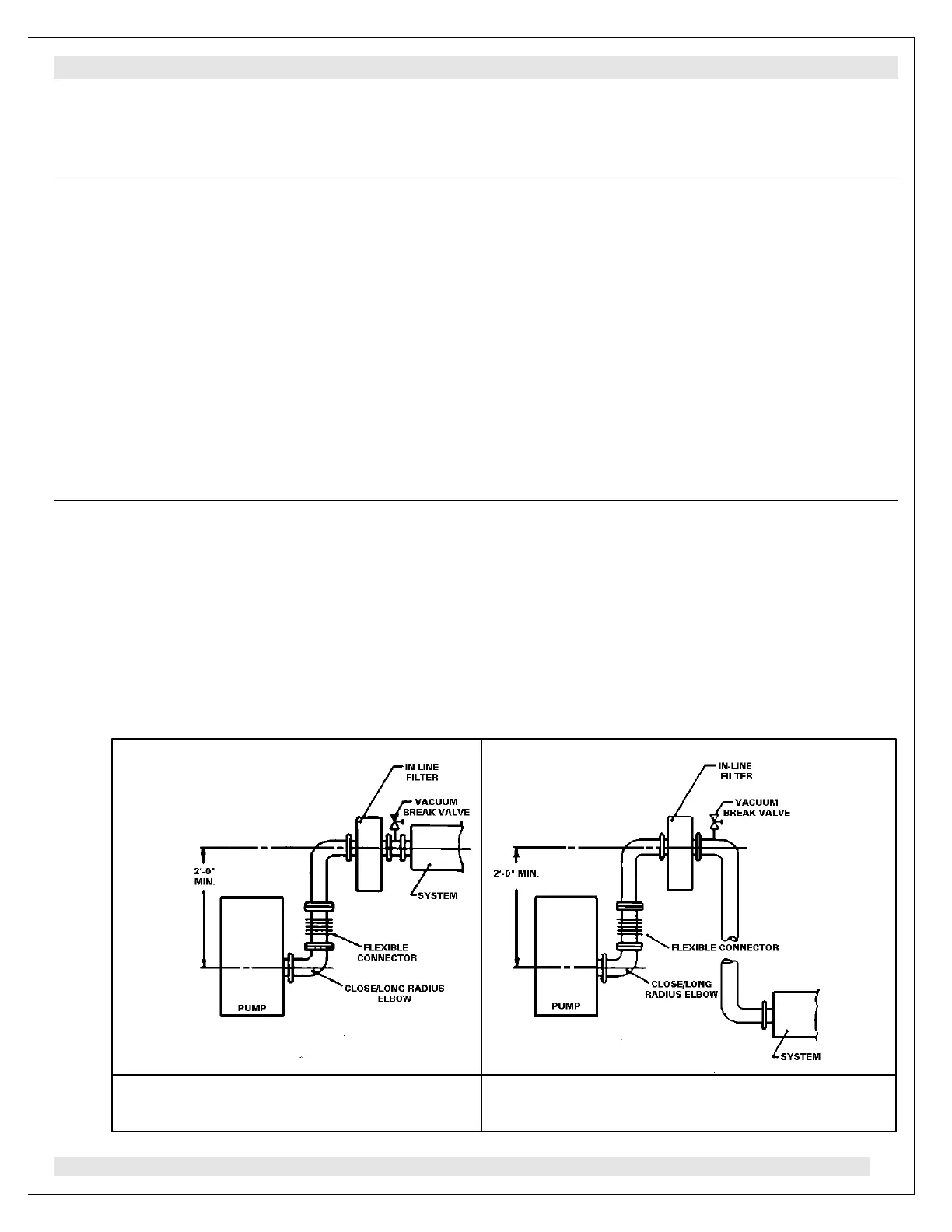
2.22.2 Vacuum PipingVacuum Piping
All pipe lines should be as short as possible and should be no smaller than the inlet to the
pump. (If it is absolutely necessary to run a long line, the pipe size should be increased
50% in diameter, or more, than the inlet to the pump.) Conductance of long lines must be
checked and the line sized large enough or pumping speed of system will be seriously
decreased. When connecting the pump to the system, provide a vertical pipe at least 2 ft.
(610 mm) long between the pump and the system, if the pump is below the system inlet. If
the pump is above or level with the system inlet, provide an inverted “ U” pipe to serve as a
trap for dirt from the system and to prevent migration of pump oil tow ard the system inlet.
Be sure all vacuum piping is tight. If an inline filter is being used it should be installed as
noted below. It is advisable to install a flexible connection between pump intake and
vacuum piping to reduce vibration.(See Figures 2 & 3).
FIGURE 2FIGURE 2
PUM P BELOW SYSTEMPUM P BELOW SYSTEM
FIGURE 3FIGURE 3
PUM P ABOV E SYSTEMPUM P A BOVE SY STEM

Related product manuals