EasyManua.ls Logo

Bosch 830ES - Page 22

Bosch 830ES
107 pages
Print Icon
To Next Page IconTo Next Page
To Next Page IconTo Next Page
To Previous Page IconTo Previous Page
To Previous Page IconTo Previous Page
Loading...
20
|
THERM/GREENTHERM Tankless Water Heaters
Bosch Thermotechnology Corp.Data subject to change
Applications Manual
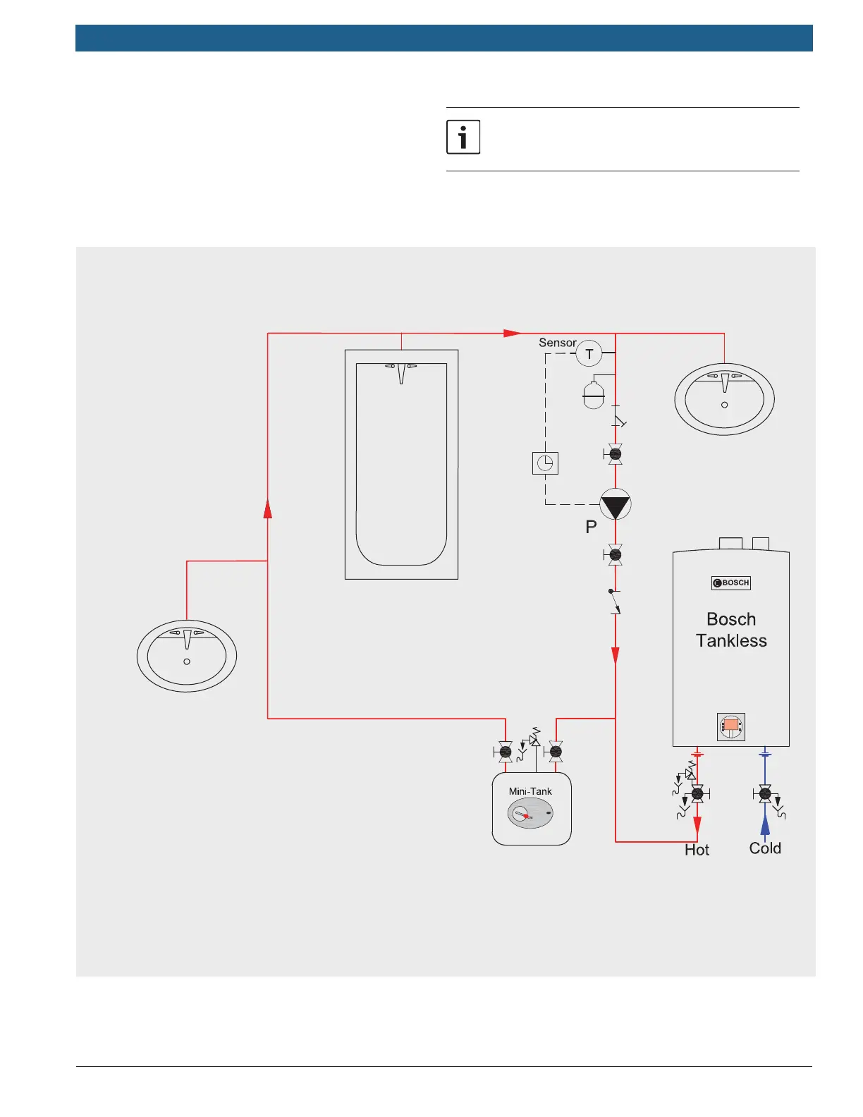
9.2.3 Bosch gas water heater with domestic
recirculation loop
The circulator should be controlled by an external aq-
uastat and/or with a timer to run only during times of
expected hot water usage. Insulate piping in hot water
recirculation loop to limit heat loss.
Bosch
See Chapter 5.2 for recirculation pump
parameters
Applicable models: Bosch 520 PN, 520 HN, 830 ES,
940 ES, 940 ESO, C 950 ES, C 1050 ES, C 1210 ES,
Mini tank: Bosch Tronic 3000T ES8.

Table of Contents

Other manuals for Bosch 830ES

Related product manuals