EasyManua.ls Logo

Bosch B9512G-E - Page 78

Bosch B9512G-E
185 pages
Print Icon
To Next Page IconTo Next Page
To Next Page IconTo Next Page
To Previous Page IconTo Previous Page
To Previous Page IconTo Previous Page
Loading...
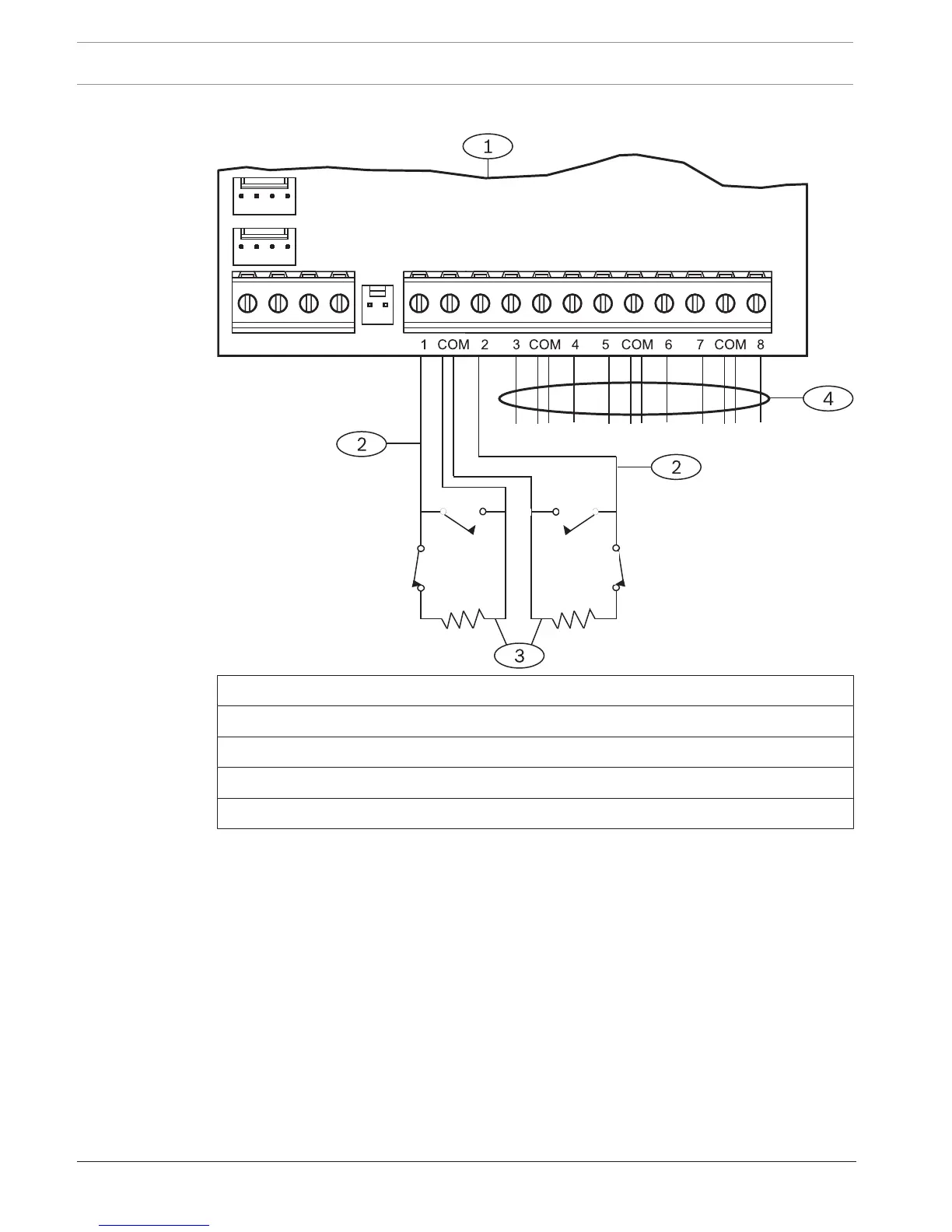
78 en | Off-board points Control Panels
2018.07 | 10 | F.01U.303.996 Installation Manual Bosch Security Systems, Inc.
Single EOL resistor circuit style
Callout Description
1 Module
2 Sensor loop
3 EOL Resistor – 1.0 kΩ (2.0 kΩ and No EOL optional)
4 Wiring to additional sensor loops

Table of Contents

Related product manuals