EasyManua.ls Logo

Bosch EP024 - Electric Heat Wiring Diagram

Bosch EP024
44 pages
Print Icon
To Next Page IconTo Next Page
To Next Page IconTo Next Page
To Previous Page IconTo Previous Page
To Previous Page IconTo Previous Page
Loading...
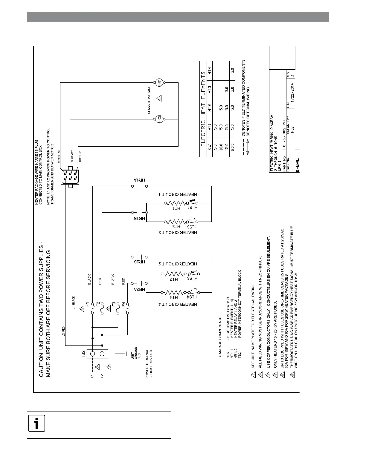
42 | Wiring Diagrams EP Series
EP Series
8733953041 (2019/01)
Subject to change without prior notice
Figure # 28
FOR REFERENCE ONLY Actual unit wiring
may vary from this example. Always refer to the
wiring diagram attached to the unit.

Related product manuals