EasyManua.ls Logo

Bosch LBB 1914/10 - About the Mixer Amplifier; System Overview Diagram

Bosch LBB 1914/10
28 pages
To Next Page IconTo Next Page
To Next Page IconTo Next Page
To Previous Page IconTo Previous Page
To Previous Page IconTo Previous Page
Loading...
Bosch Security Systems | 2003-09 | 3922 988 92883en
Plena Mixer Amplifier | Installation and Operating Manual | en | 7
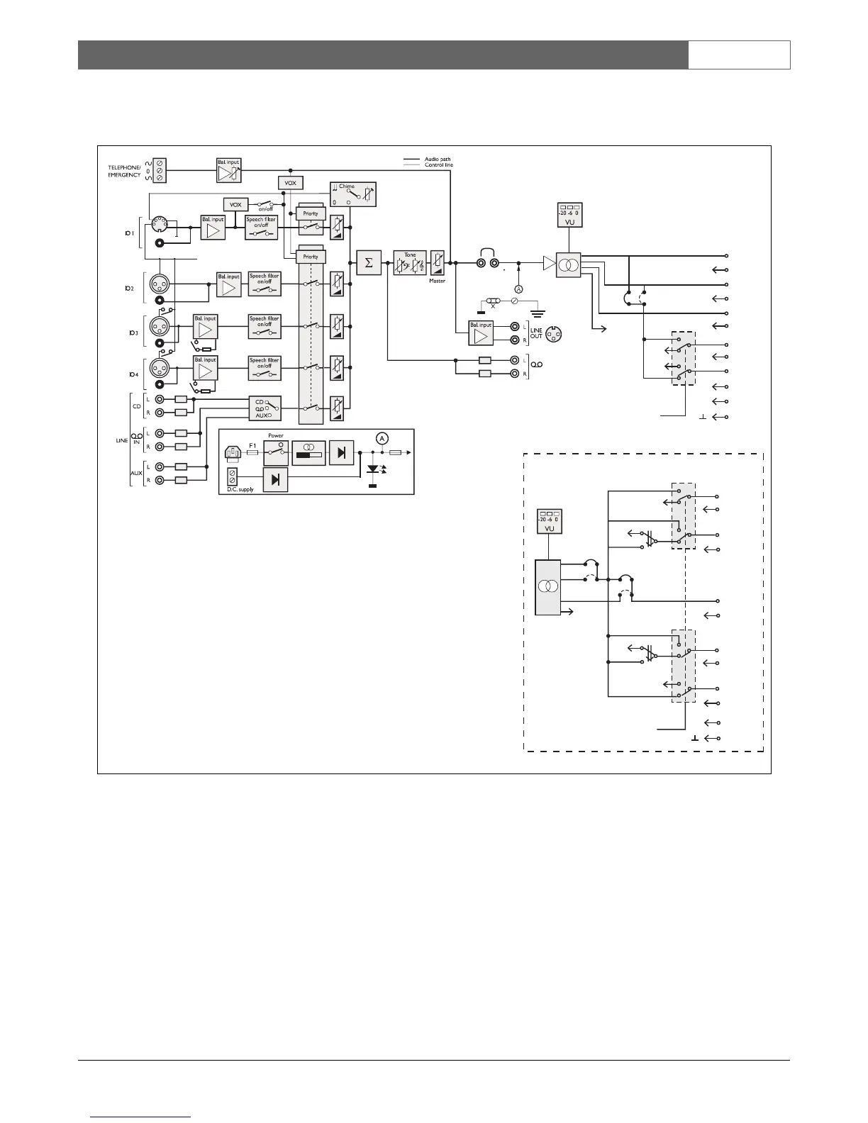
1 About the mixer amplifier
Figure 1.1
The Plena Mixer Amplifier is a mono amplifier for mixing up to 4 microphone signals and (background) music
signals. You can adjust the volume of each input separately in order to obtain the correct mix and control the mixed
output via the master volume and tone controls. Microphone input 1 can have priority with an optional chime
signal, muting other sources. The power amplifier has a direct output for mixed signals and priority announcements,
but additionally a priority controlled output relay routes the output to loudspeaker zones that should receive only
priority announcements or no priority announcements at all.
About the mixer amplifier
LINE
/
MIC
LINE
/
MIC
INS
In
IN
Click
suppression
S
Out
Phantom
Power
201
0
0
0
8Ohm
8Ohm
70V
100V
100V
70V
JP802
100V
0
70V
0
0
+
-
24V
24V
Call Only
0
Mix O nly
0
Call Active
8Ohm
8Ohm
70V
70V
100V
100V
JP901
0
0
+
-
24V
24V
Call Only
Zone 2
Zone 1
Call/Mix
Call/Mix
Call/Mix
Call Active
Mix O nly
Z1 Front
Z2 Front
Only for LBB1914/10
JP902
100/70
0
0
0
0
0
0
0
0
0
0
0
0
0
JP406
JP401
JP402
JP403
JP405
115V,230V

Other manuals for Bosch LBB 1914/10

Related product manuals