EasyManua.ls Logo

Bosch LBB 1914/10 - Connecting Loudspeakers; Constant Voltage Loudspeaker Setup

Bosch LBB 1914/10
28 pages
To Next Page IconTo Next Page
To Next Page IconTo Next Page
To Previous Page IconTo Previous Page
To Previous Page IconTo Previous Page
Loading...
Bosch Security Systems | 2003-09 | 3922 988 92883en
Plena Mixer Amplifier | Installation and Operating Manual | en | 17
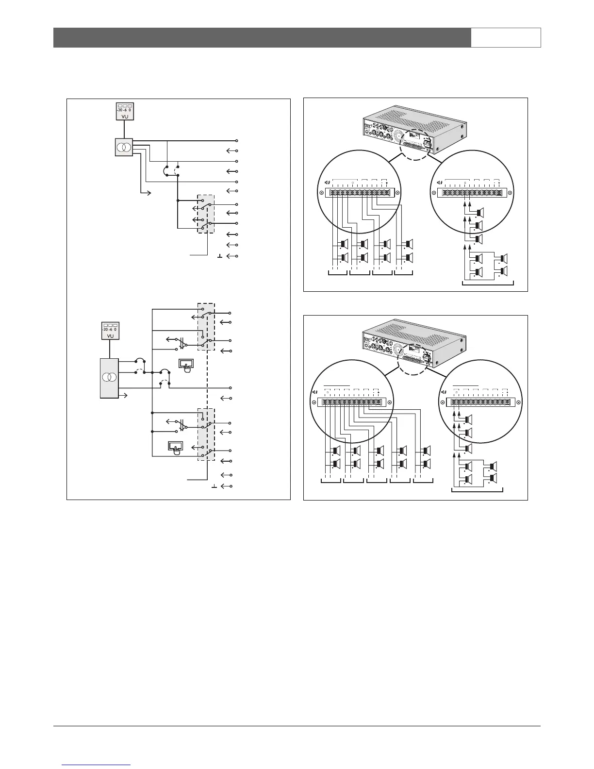
4.8 Connecting loudspeakers
Figure 4.8
4.8.1 Constant voltage loudspeakers
The mixer amplifier can drive 100 V constant voltage loudspeakers at full power (100 V) or half power (70 V).
Connect the loudspeakers in parallel and check the loudspeaker polarity for in-phase connection. The summed
loudspeaker power should not exceed the rated amplifier power. Ensure that the jumper(s) for loudspeaker voltage
selection is / are properly set (see §2.4).
You can use the Call Only output for 3-wire remote volume control override. In this case, ensure that the selected
voltage for the Call Only output is the same as for the direct output or the zone outputs.
0
0
0
8Ohm
8Ohm
70V
100V
100V
70V
JP802
100V
0
70V
0
0
+
-
24V
24V
Call Only
0
Mix O nly
0
Call Active
8Ohm
8Ohm
70V
70V
100V
100V
JP901
0
0
+
-
24V
24V
Call Only
Zone 2
Zone 1
Call/Mix
Call/Mix
Call/Mix
Call Active
Mix O nly
Z1 Front
Z2 Front
LBB1914/10
LBB1903/10
LBB1906/10
LBB1912/10
JP902
100/70
0
0
0
0
0
0
0
0
0
0
0
0
0
External settings and connections
115
V/
23
0
V
Ap
p
ar
at
u
s
de
l
ive
re
d
co
nn
ec
t
edf
o
r
2
3
0V-
Ra
t
e
d
i
n
p
ut
p
o
w
e
r
:4
0
0VA
Th
i
s
a
p
p
a
ra
t
u
s
m
us
t
b
e
e
a
rth
e
d
War
ni
ng
2
1
3
4
M
ic
/L
in
e
Mic
/L
in
e
C
D
L
R
A
u
x
L
in
eO
u
t1V
I
n
c
O
u
t
In
Te
l/Eme
r
.
0
0
2
Ch
ime
4 .5
1
--
3
C
all/
Mix
24
VD
C
I
n
Cal
l
O
n
l
y
MixO
nl
y
10
0
V
0
7
0
V
0
100/
70
V
01
0
0/70V 0
8
0
Call/Mix
direct out
100V
Call/Mix
direct out
70V
Call Only
100/70V
Mix Only
100/70V
8 Ohm
Call/Mix direct out 8 Ohm
Call/Mix
24VDCIn
Call Only Mix Only
100V
0
70V
0
100/70V
0
100/70V
0
08
100V
0
70V
0
100/70V
0
100/70V
0
08
Call/Mix
24VDCIn
Call Only Mix Only
4Ohm
4Ohm
8Ohm
8Ohm
8Ohm
8Ohm
LBB1903/10
LBB1906/10
LB B 1912/10
1
15V/
2
3
0
V
A
pp
ar
a
t
u
s
d
e
l
iv
e
re
d
co
nn
ect
e
d
f
o
r
23
0V-
Ra
t
e
di
np
ut
p
ow
e
r
:4
0
0
VA
Th
i
s
a
p
p
a
ra
tu
s
m
u
s
t
b
ee
a
r
t
h
e
d
War
ni
ng
2
1
3
4
Mic
/L
ine
M
ic
/
L
in
e
C
D
L
R
Au
x
Lin
e
O
u
t1V
In
c
O
u
t
I
n
Te
l/Eme
r
.
0
0 2
C
h
ime
4 .5
1
--3
Call/Mix
direct out
100/70V
Zone 1
100/70V
Zone 2
100/70V
Call Only
100/70V
8 Ohm
Mix Only
100/70V
Call/Mix direct out 8 Ohm
4 Ohm
4 Ohm
8 Ohm
8 Ohm
8 Ohm
8 Ohm
24VDCIn
Call/Mix
Zone 1 Zone 2
Call Only Mix Only
100/70V/8 0 100/70V 0 100/70V 0 100/70V 0 100/70V0
24VDCI n
Call/Mix
Zone 1 Zone 2
Call Only Mi x Only
100/70V/8 0 100/70V 0 100/70V 0 100/70V 0 100/70V 0
LB B 1914 /10
C
all/
Mix
24VDC
I
n
Ca
ll
On
ly
Mi
xOn
ly
1
0
0
V 0
7
0
V 0
1
00
/70V
01
00
/7
0
V0
8 0
Figure 4.9
Figure 4.10

Other manuals for Bosch LBB 1914/10

Related product manuals