EasyManua.ls Logo

Bosch LBB 1920 - 1 About the Equipment

Bosch LBB 1920
20 pages
Print Icon
To Next Page IconTo Next Page
To Next Page IconTo Next Page
To Previous Page IconTo Previous Page
To Previous Page IconTo Previous Page
Loading...
Bosch Security Systems | 2003-09 | 3922 988 99482en
Plena Universal Pre-amplifier | Installation and Operating Manual | en | 7
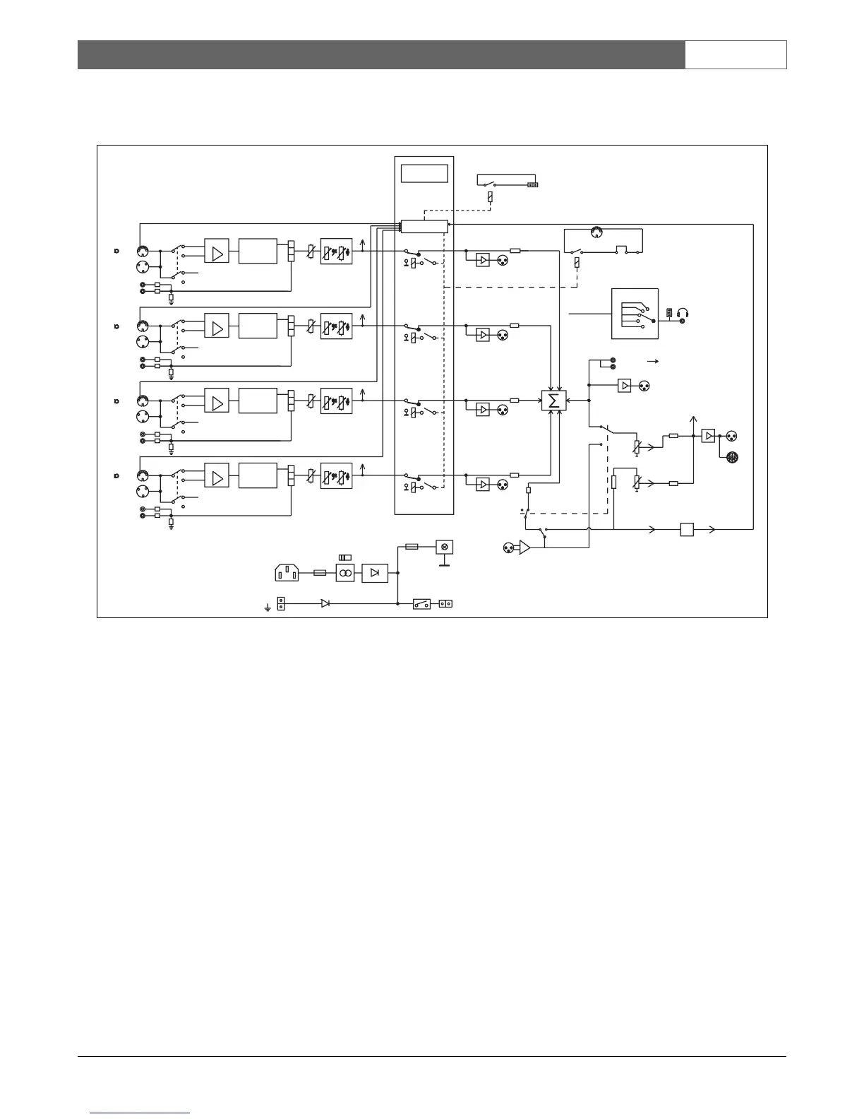
1 About the equipment
Figure 1.1
The Plena Universal Amplifier is a mono mixer amplifier with 4 input channels. Each channel has 3 possible input
connections and a direct XLR output. You can adjust volume and tone level for each channel. The 4 input channels
and the cascade input are mixed to one master signal. This master signal is available on the XLR and DIN output
(mic. level). Additional outputs are the tape out and cascade out.
All pre-amplifier channels and the master output can be monitored with a headphone.
About the equipment
F
1
1
/
L
i
n
e
Pri
o
r
i
ty Co
n
tr
o
l
A
Bal
a
n
c
e
d
D
i
r
e
c
t
Ou
tpu
t
T
o
n
e
Ov
e
r
Ri
d
e
115
/
230V
24VDC
1
ma
s
ter
mo
n
i
to
r
ing
2
3
4
A,B,C,
DM
a
s
te
r
XL
R
Ba
la
n
c
e
dD
i
re
c
tOutpu
t
Bl
a
la
n
c
e
d Direc
t
Ou
tpu
t
Bla
l
a
n
c
e
d Direc
t
Ou
tpu
t
1
8
V
I
n
/
Ca
s
eOu
t
(350mV
)
Ins
e
rti
o
n
Ca
s
c
a
d
e
S3
0
1A
C
a
s
c
a
d
e
Ins
e
rtion
VOX
DE
T
ECTOR
VOX
Pre
s
e
t
L
e
v
e
l
Emerge
n
c
y
Ma
s
terLi
n
e
Ou
t
Ma
s
ter
Ins
/
Cas
c
/
E
MG I
n
S
1
0
1
S102
S103
1
mV
2
0
0mV
S1
04
Bal
.inp
u
t
Sp
e
e
c
hfi
lter
J
P107
ON/OF
F
O
F
F
J
P1
11
OF
F
J
P1
1
2
O
F
F
J
P1
1
3
OF
F
J
P1
1
4
P
r
iority
Mo
d
e
B/SJP10
9
J
P1
10
J
P3
0
1
Ma
s
ter
X
L
R
X
L
R
XL
R
B
C
D
P.S.
T
o
n
e
2
0
0mV
P.S.
J
P1
0
5
ON/OF
F
Ba
l
.i
n
p
u
t
Sp
e
e
c
hfi
lter
1mV
T
o
n
e
2
00mV
P
.
S.
J
P1
0
3
ON/OF
F
Ba
l.
inp
u
t
S
pe
e
c
hf
il
te
r
1mV
T
o
n
e
20
0m
V
P.S.
J
P1
01
O
N/OF
F
Ba
l.in
p
u
t
Sp
e
e
c
hf
ilte
r
1
mV
2 (ON)
1(OF
F
)
3
V
2
00mV
2
00
mV
20
0
mV
200mV
1V
1V
1
V
1
V
S301B
J
P
102
J
P10
4
J
P
1
0
6
J
P108
T
e
l/
E
MG Ov
e
rr
i
d
e
Au
x
Mic.
Mic.
Au
x
Mic.
Aux
Mic.
Aux
F101
DC Out
F
1
02
1A
2
/Line
3
/
L
i
n
e
4/L
i
n
e
Ma
s
terM
i
c
.
Ou
t
O
Pin 4
Pin
5
5-P
o
le Din

Related product manuals