EasyManua.ls Logo

Bosch R32 - Page 19

Bosch R32
64 pages
Print Icon
To Next Page IconTo Next Page
To Next Page IconTo Next Page
To Previous Page IconTo Previous Page
To Previous Page IconTo Previous Page
Loading...
CLIMATE 5000 RAC SINGLE SPLIT (R32) – 6720894076 (2019/08) 19
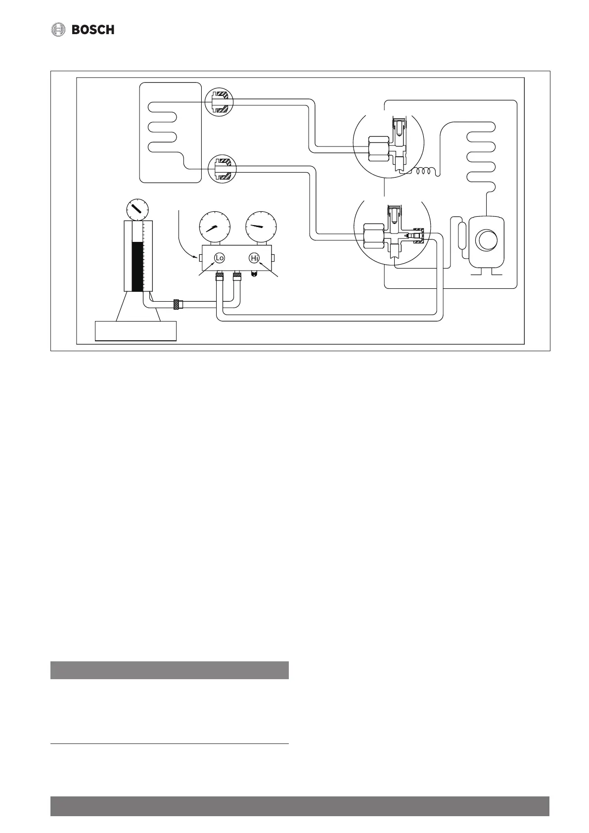
Maintenance and Disassembly
Refrigerant charging
(Indoor unit)
(Liquid side)
Charging
cylinder
Electronic scale
Check valve
Liquid valve
Gas valve / Service port
Open
Open
OPEN CLOSE
(Outdoor unit)
(Gas side)
Fig. 10.
Procedure:
1. Close both liquid and gas valves.
2. Slightly connect the Handle Lo charge hose to the service port.
3. Connect the charge hose to the valve at the bottom of the cylinder.
4. If the refrigerant is R410A, invert the cylinder to ensure a complete
liquid charge.
5. Open the valve at the bottom of the cylinder for 5 seconds to purge
the air in the charge hose, then fully tighten the charge hose with
push pin Handle Lo to the service port.
6. Place the charging cylinder onto an electronic scale and record the
starting weight.
7. Fully open the Handle Lo manifold valve, liquid / gas valves.
8. Operate the air conditioner in cooling mode to charge the system
with liquid refrigerant.
9. When the electronic scale displays the correct weight (refer to the
gauge and the pressure of the low side to confirm), turn off the air
conditioner, then disconnect the charge hose immediately from the
gas valve service port.
10. Mount the caps of service port and liquid / gas valves.
11. Use a torque wrench to tighten the caps to a torque of 18 N.m.
12. Check for gas leakage.
NOTICE:
1. Mechanical connectors used indoors shall comply with local
regulations.
2. When mechanical connectors are re-used indoors, sealing parts
shall be renewed. When flared joints are re-used indoors, the flare
part shall be re-fabricated.

Table of Contents

Related product manuals