EasyManua.ls Logo

Bosch R32 - Page 8

Bosch R32
64 pages
Print Icon
To Next Page IconTo Next Page
To Next Page IconTo Next Page
To Previous Page IconTo Previous Page
To Previous Page IconTo Previous Page
Loading...
8 CLIMATE 5000 RAC SINGLE SPLIT (R32) – 6720894076 (2019/08)
Specifications
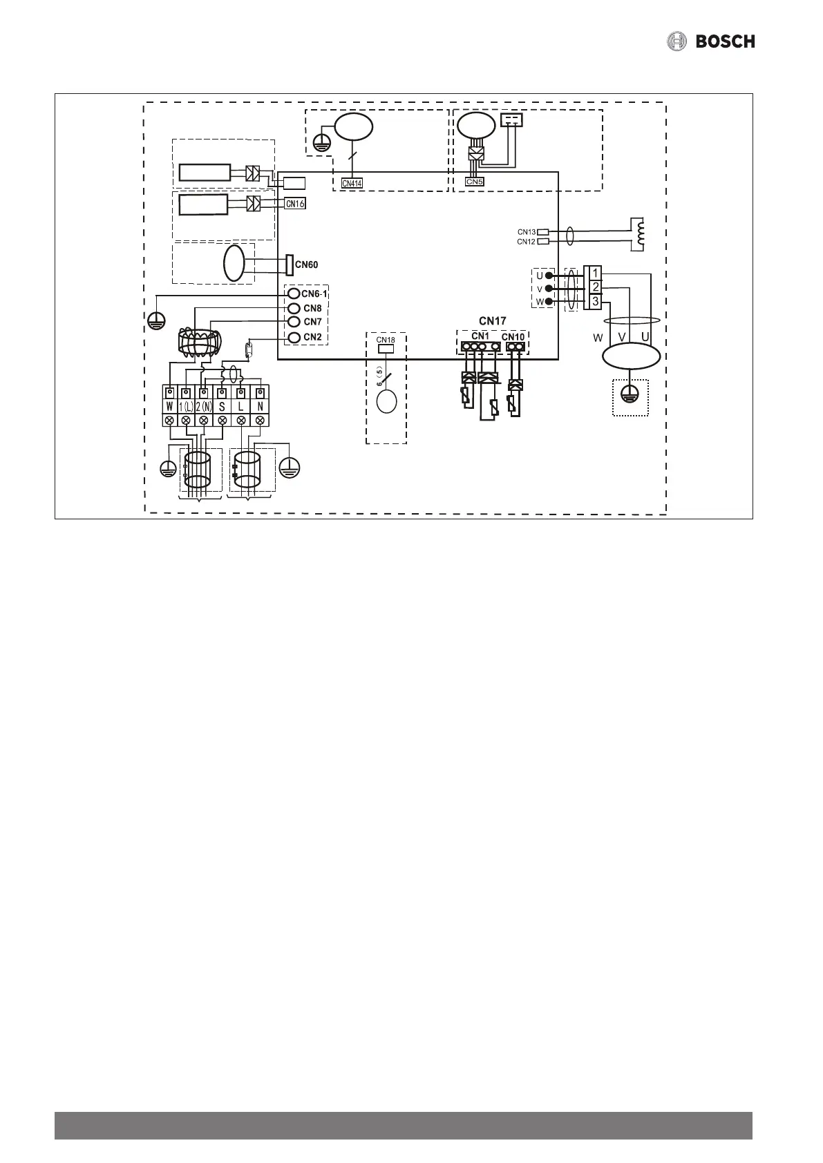
Outdoor Unit 7-2 OUE
CN4
3
CN3
CN30
OPTIONAL:
Y/G
Y/G
Y/G
BROWN (RED)
BLUE (BLACK)
RED
BLACK(BLUE)
BLACK (YELLOW)
BROWN
BLUE
BLUE
BLUE
BLUE
RED
RED
RED
BLACK
BLACK
BLACK
WHITE
OUTDOOR
AMBIENT
TEMPERATURE
SENSOR
CONDENSER
TEMPERATURE
SENSOR
Note: --------------
This symbol indicates the element is optional,the actual shape shall be prevail.
NOTE: As Ihe standby control needs, the cross section area of cable connected to W,
1,2 must be selected to suit the maximum system current.
The maximum system current is equal to thesum of indoor unit
OPTIONAL:
ELECTRONIC
EXPANSIVE
VALVE
DISCHARGE
SENSOR
BLACK
BLUE
REACTOR
COMPRESSOR
FAN
CAPACITOR
OPTIONAL
OPTIONAL
The electric heating belt
of chassis
Applicable to
the units adopting
DC motor only
Applicable to
the units adopting
AC motor only
OUTDOOR WIRING DIAGRAM
OUTDOOR
MAIN
PCB
The electric heating belt
of compressor
4-WAY
HEATER 2
TO INDOOR UNIT POWER SUPPLY
HEATER 1
OUTDOOR
DC FAN
OUTDOOR
AC FAN
OPTIONAL
OPTIONAL
Fig. 3.

Table of Contents

Related product manuals