EasyManua.ls Logo

Bosch SHU53 - Measuring Resistances from the Front of SHU;SHI 43;53;68 Dishwashers

Bosch SHU53
20 pages
Print Icon
To Next Page IconTo Next Page
To Next Page IconTo Next Page
To Previous Page IconTo Previous Page
To Previous Page IconTo Previous Page
Loading...
B A
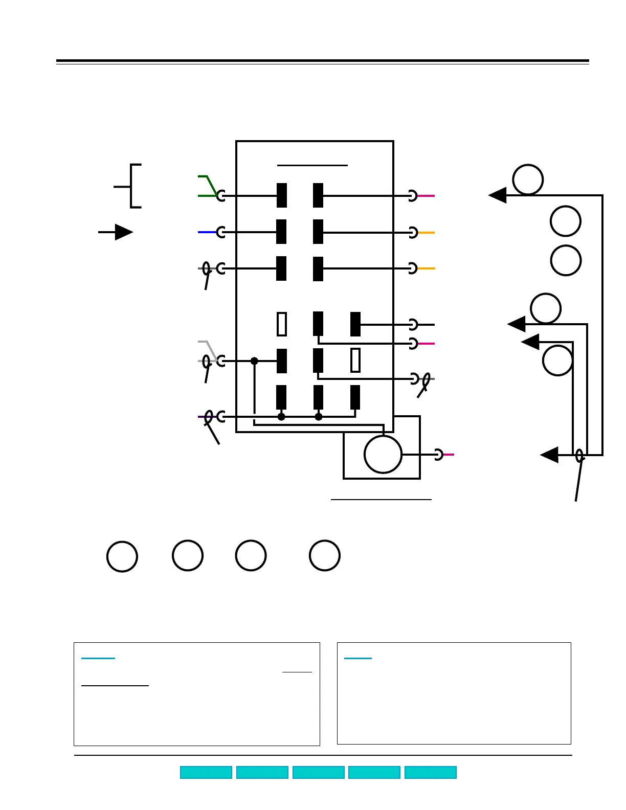
Measuring resistances from the front
of SHU 303x dishwashers
Page A-4
to water level
switch & inlet
valve
M
1
~
to neutral
WHRD-A2
5b
Timer -- u
Timer motor m1
5a
5
3b
3a
3
6b
6a
6
4b
4a
4
2b
2a
2
to hot line
GYBK-e5-1
GYRD-I6-8
BK-m2-1
VT-b-3 (to b3)
YE-b-1 (to b1)
RD-A2
GN-I6-6
GN-f3
BU-I6-4
GY-I6-1
WH-b-5
WH-I6-3
NOTE: Symbols (WH-I6-3) refer to wire
colors and terminal/part symbols. See
circuit
diagram # 62 for terminal/part symbols. Wire
colors: WH = white, WHRD = white/red, WHVT
= white/violet, BU = blue, GYBK = gray/black,
BK = black, GYRD = gray/red, GY = gray, GN =
green, RD = red, VT = violet, YE = yellow.
HINT: Water valve and drain motor can
be measured from front of dishwasher
without accessing timer wire harnesses.
Resistances are:
n Water valve ~ 1 kW
n Drain motor ~ 16.5 W
to flow switch
m2
m3
1
1
A2
to thermostats
f3 & f4
to float switch
to flow switch
WHVT-a1-3
1st Edition/Revision 1 Tuesday, August 8, 2000
Tech Manual
TroubleshootingQuick Chart
Repair Manual
measure
circulation
motor
(~10 W)
m2
measure
drain
motor
(~16.5 W)
m3
1
see circuit /
schematic
diagram # 62
for b1 & b3
measure
detergent
actuator
(~2150 W)
A2

Related product manuals