EasyManua.ls Logo

Bosch TRONIC 5000C Pro - Esquema Eléctrico

Bosch TRONIC 5000C Pro
80 pages
Print Icon
To Next Page IconTo Next Page
To Next Page IconTo Next Page
To Previous Page IconTo Previous Page
To Previous Page IconTo Previous Page
Loading...
34 | Información sobre el calentador US
Copyright6 720 646 951 (2011/09)
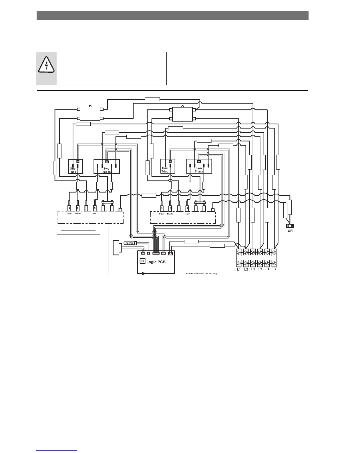
2.7 Esquema eléctrico
Fig. 3 Diagrama interno de cableado para la unidad WH27 de fase sencilla.
PELIGRO: ¡Riesgo de choque eléctrico!
B Apague siempre el suministro de electri-
cidad a la unidad antes de cualquier in-
tervención en el calentador.
6720648179-02.1V
Gris
Marrón
Negro
Roja
Roja
Negro
Gris
Marrón
Marrón
PCBvisto
desdeel
ladodela
conexión
(ver/ama)
(ver/ama)
(ver/ama)
Suministro1/2/3
Disyuntor
de
doblepolo
Disyuntor
de
doblepolo
Esquemadeconexión
suministro27kW,3x240V.
Advertencia
apagarelsuministrode
electricidadantesdeproceder
Instalaciónymantenimiento.
Debeserrealizada
solamenteporun
electricistaconlicencia
Tapadelatónizquierda(vistafrontal) Tapadelatónizquierda(vistafrontal)
Roja
Azul
Roja
Roja
Azul
Roja
terminales
Flujo
desdeel
ladodela
conexión
PCBvisto
Roja
Roja
Negro
Marrón
Gris
Azul
Gris
Marrón
Marrón
Azul
Gris
Gris
Marrón

Table of Contents

Related product manuals