EasyManua.ls Logo

Bosch US9 - Electrical Diagram

Bosch US9
48 pages
Print Icon
To Next Page IconTo Next Page
To Next Page IconTo Next Page
To Previous Page IconTo Previous Page
To Previous Page IconTo Previous Page
Loading...
6 | Information about the heater US
6 720 647 005 (2011/09)
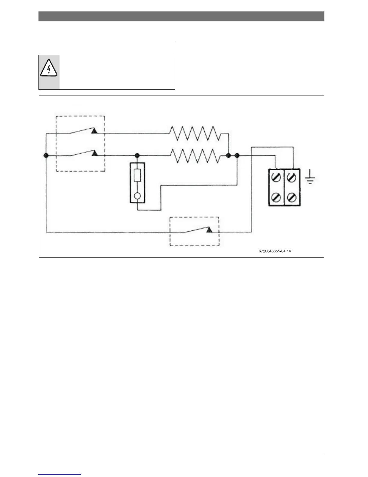
2.6 Electrical diagram
Fig. 2 Internal wiring plan
DANGER: Risk of electric shock!
B Always switch off the electrical supply to
the unit before removing cover or
performing any maintenance and service.
Heating elements
Electrical
supply
Manual reset Thermal cut-out
Neon
Power selector
and Flow switch

Table of Contents

Related product manuals