EasyManua.ls Logo

Bradco CONTRACTOR 408A BACKHOE - Page 68

Default Icon
142 pages
Print Icon
To Next Page IconTo Next Page
To Next Page IconTo Next Page
To Previous Page IconTo Previous Page
To Previous Page IconTo Previous Page
Loading...
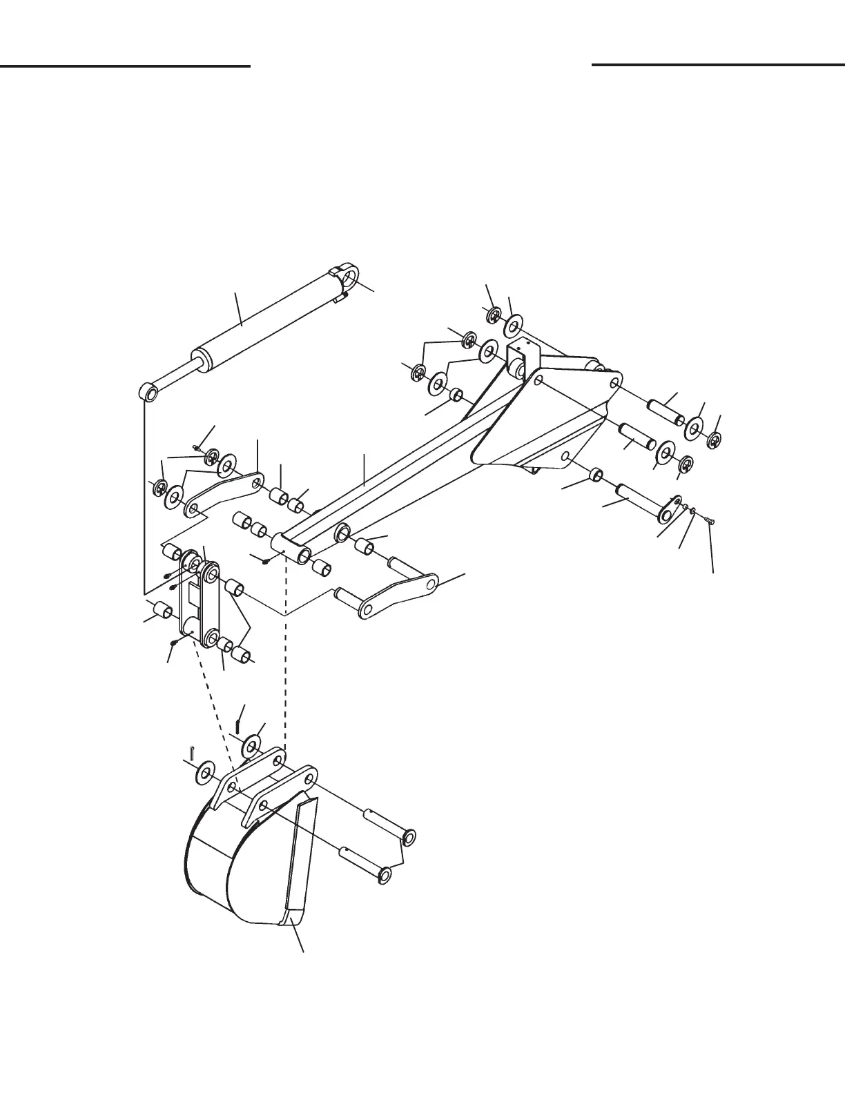
BOOM & DIPPER ASSEMBLY
ASSEMBLY #85699
7457
6-10-98
1
4
4
3
2
2
3
5
3
2
5
3
2
11
11
11
12
12
15
16
15
17
3
18
11
BUCKET
(NOT INCLUDED IN BOOM & DIPPER ASSEMBLY)
13
10
14
3
2
15
SERIAL #8408AX973 AND UP
6
8
7
9

Related product manuals