EasyManua.ls Logo

Bradley 233 - Page 39

Default Icon
40 pages
Print Icon
To Next Page IconTo Next Page
To Next Page IconTo Next Page
To Previous Page IconTo Previous Page
To Previous Page IconTo Previous Page
Loading...
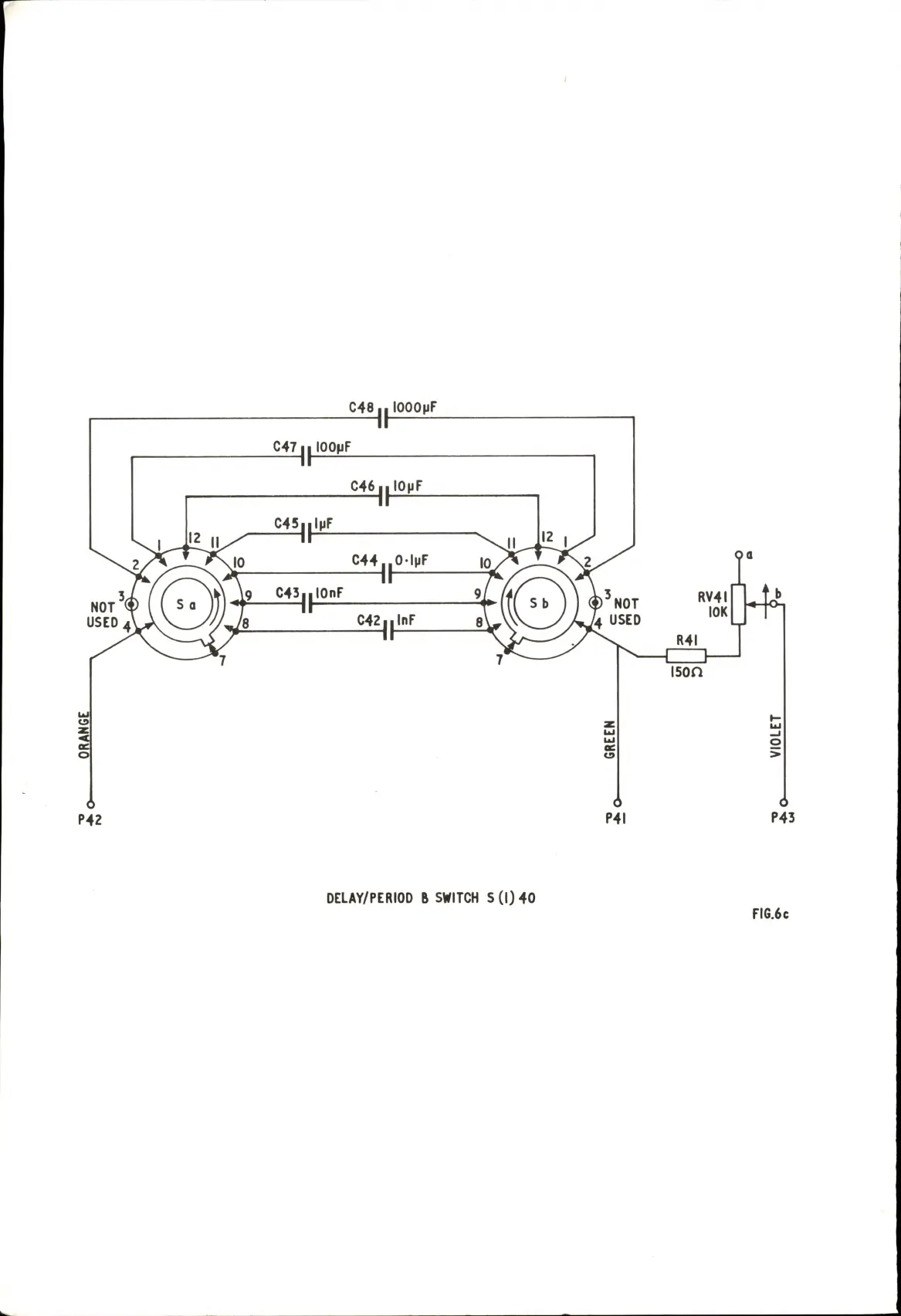
C48,,
IOOOmF
C47||
IOOmF
C46,|I0mF
C45,,I(jF
C44,,0*ImF
10
9
C43,,IOnF
C42,,lnF
oc
o
P42
6
P4I
ison
o
>
P43
DELAY/PERIOD
B
SWITCH
5(1)40
FIG.6C