EasyManua.ls Logo

Brilix XHPFD 80 E - Electrical Wiring

Brilix XHPFD 80 E
22 pages
Print Icon
To Next Page IconTo Next Page
To Next Page IconTo Next Page
To Previous Page IconTo Previous Page
To Previous Page IconTo Previous Page
Loading...
18
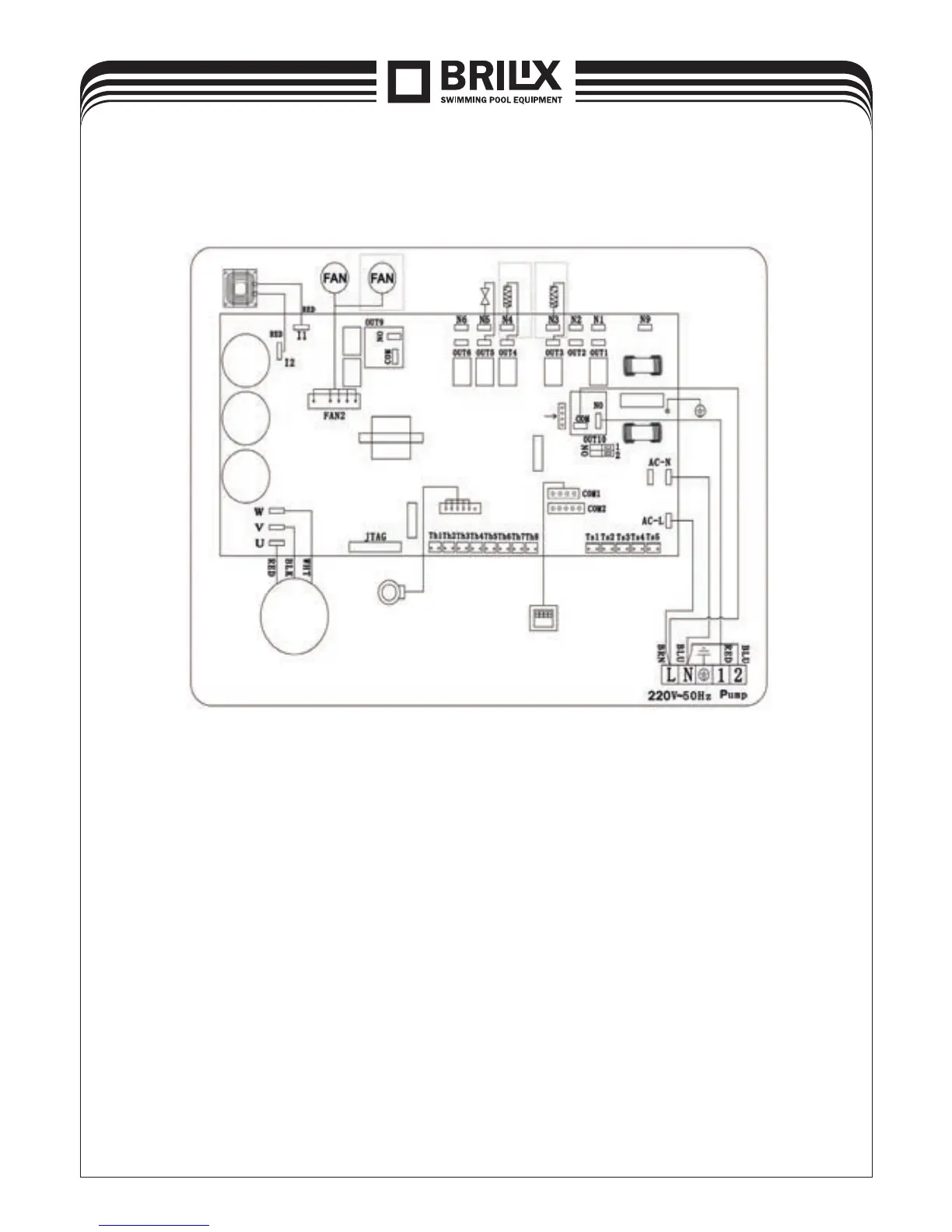
9. Electrical Wiring
XHPFD 100 E, XHPFD 140 E, XHPFD 160 E
A
Transformer
B
Compressor
C
Electronic Expansion Valve
D
Ambient temperature
E
Heating pipe temperature
F
Temperature of exhaust gases
G
Water out temperature
H
Water in temperature
I
Display, Control
J
Water flow switch
K
Defrost switch
L
Low Pressure switch
M
High Pressure switch
N
Crankcase heater
O
Base Electric Heater
P
4way valve
B
A
* The dotted line part are only used in some models
C
D
E
F
G
H
J
L
K
M
O
N
P
I

Related product manuals