EasyManua.ls Logo

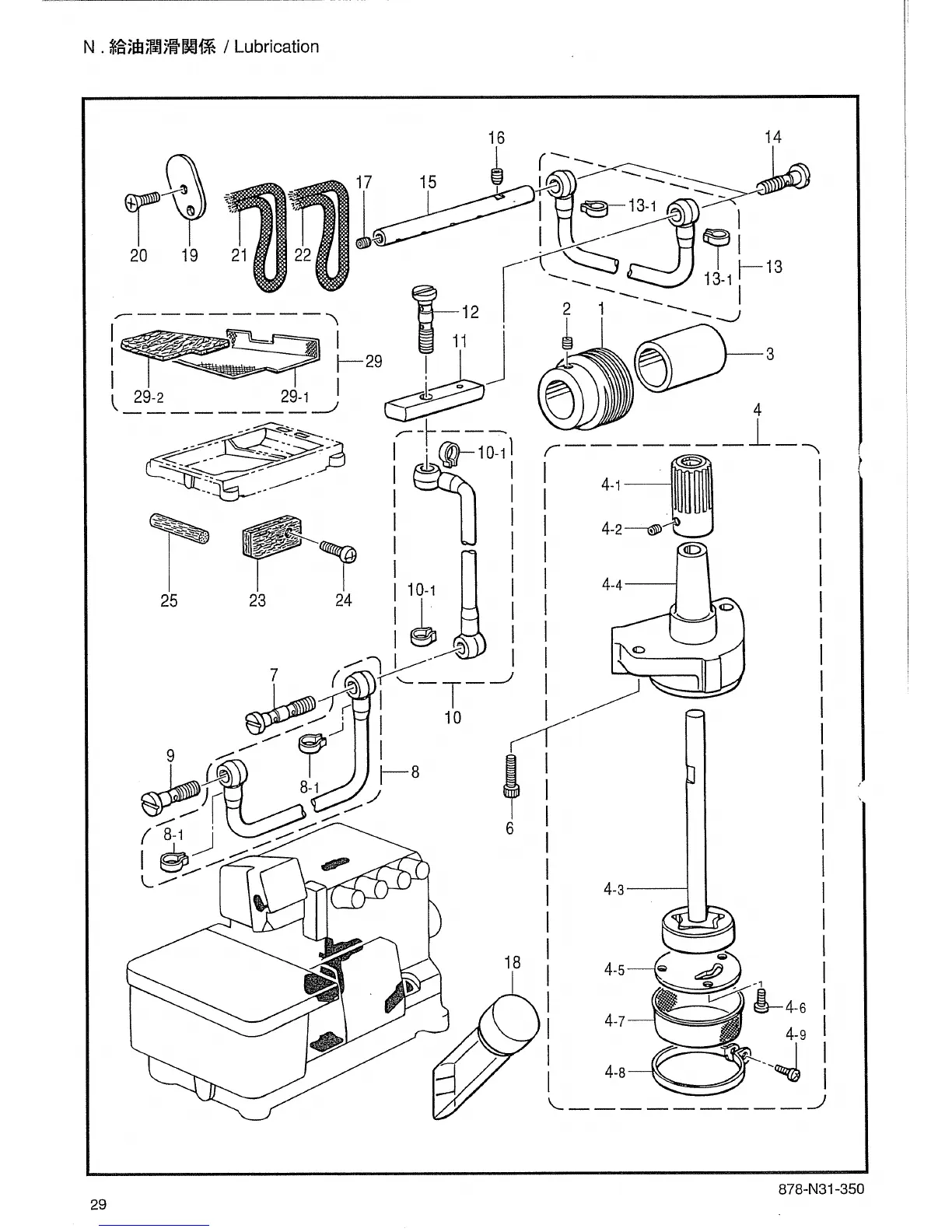
Brother FB-N310 - Lubrication

Brother FB-N310
64 pages
Print Icon
To Next Page IconTo Next Page
To Next Page IconTo Next Page
To Previous Page IconTo Previous Page
To Previous Page IconTo Previous Page
Loading...

Other manuals for Brother FB-N310

Related product manuals