EasyManua.ls Logo

BRP Evinrude E-Tec E150DPLSUF - Page 306

BRP Evinrude E-Tec E150DPLSUF
443 pages
Print Icon
To Next Page IconTo Next Page
To Next Page IconTo Next Page
To Previous Page IconTo Previous Page
To Previous Page IconTo Previous Page
Loading...
304
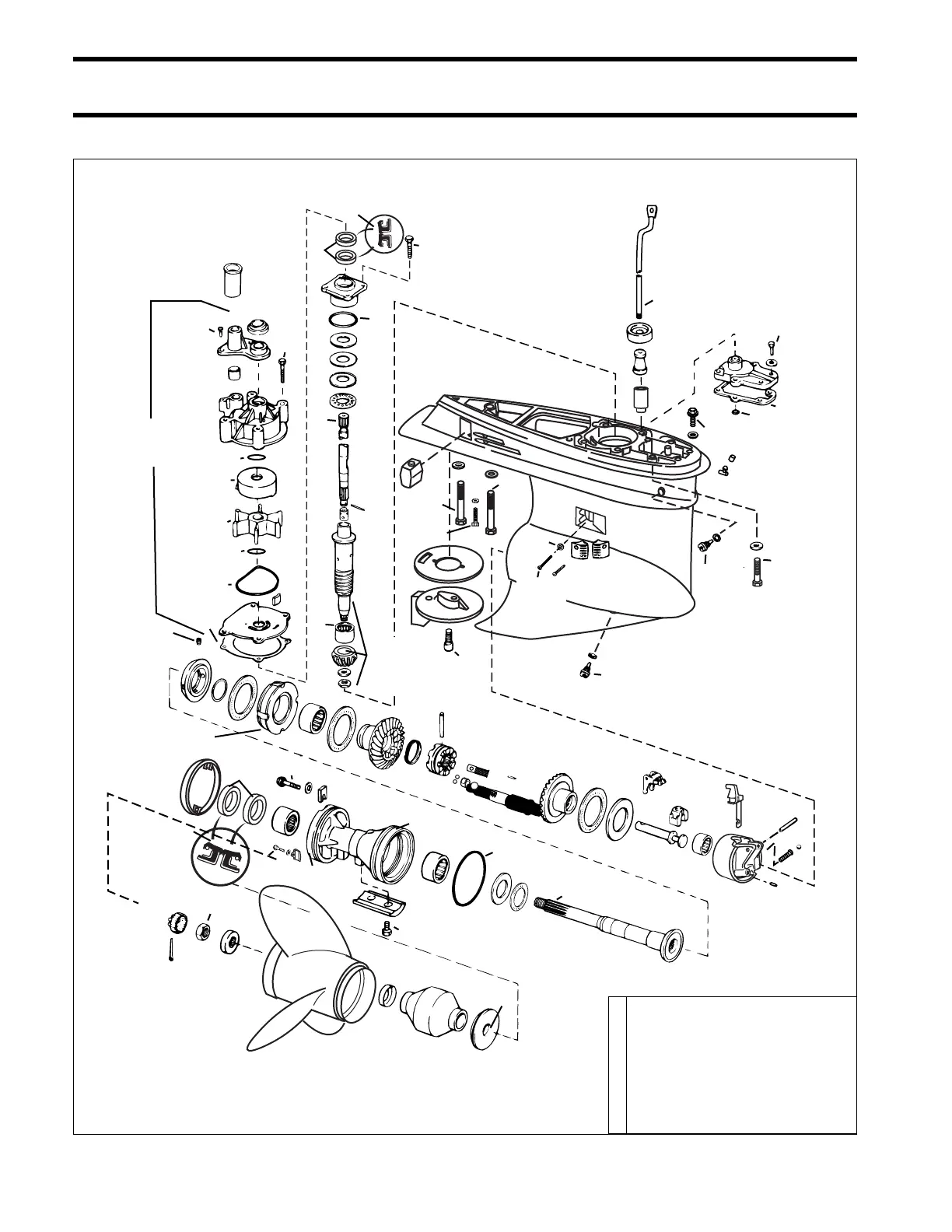
GEARCASE
SERVICE CHART
V6 COUNTER ROTATION “M”-TYPE GEARCASE
87
100-110 Ft. lbs.
(136-149 N•m)
Use Gearcase
Lubricant on threads
only, taper must be
clean and dry.
See Water Pump
Assembly instructions
70-80 Ft. lbs.
(95-109 N•m)
B
B
E
E
A
B
A
B
F
B
C
A
D
B
C
E
D
B
B
B
A
B
E
A
B
B
A
B
A
108-132 In. lbs.
(12-15 N•m)
15-20 In. lbs.
(1.7-2.3 N•m)
18-20 Ft. lbs.(24-27 N•m)
Gearcase Lubricant
on threads.
100 Ft. lbs.
(136 N•m)
See Gearcase
Assembly
Instructions.
144-168 In. lbs.
(16-19 N•m)
35-40 Ft. lbs.
(47-54 N•m)
24-36 In. lbs.
(2.7-4.1 N•m)
60-84 In. lbs.
(6.8-9.5 N•m)
10-12 Ft. lbs.
(14-16 N•m)
G
60-84 In. lbs.
(6.8-9.5 N•m)
26-28 Ft. lbs.
(35-38 N•m)
60-84 In. lbs.
(6.8-9.5 N•m)
60-84 In. lbs.
(6.8-9.5 N•m)
18 In. lbs. (2.0 N•m)
Then 10-12 In. Lbs (1.1-1.4N•m)
F
26-28 Ft. lbs.
(35-38 N•m)
26-28 Ft. lbs.
(35-38 N•m)
40-50 Ft. lbs.
(54-68 N•m)
B
B
60-84 In. lbs.
(6.8-9.5 N•m)
F
B
DSS132
A Triple-Guard Grease
B Gasket Sealing Compound
C Adhesive 847
D Moly Lube
E Red Ultra Lock
F Blue Nut Lock
G Needle Bearing Grease

Table of Contents

Related product manuals