EasyManua.ls Logo

Bryant 313AAV - Page 19

Bryant 313AAV
54 pages
Print Icon
To Next Page IconTo Next Page
To Next Page IconTo Next Page
To Previous Page IconTo Previous Page
To Previous Page IconTo Previous Page
Loading...
19
A02075
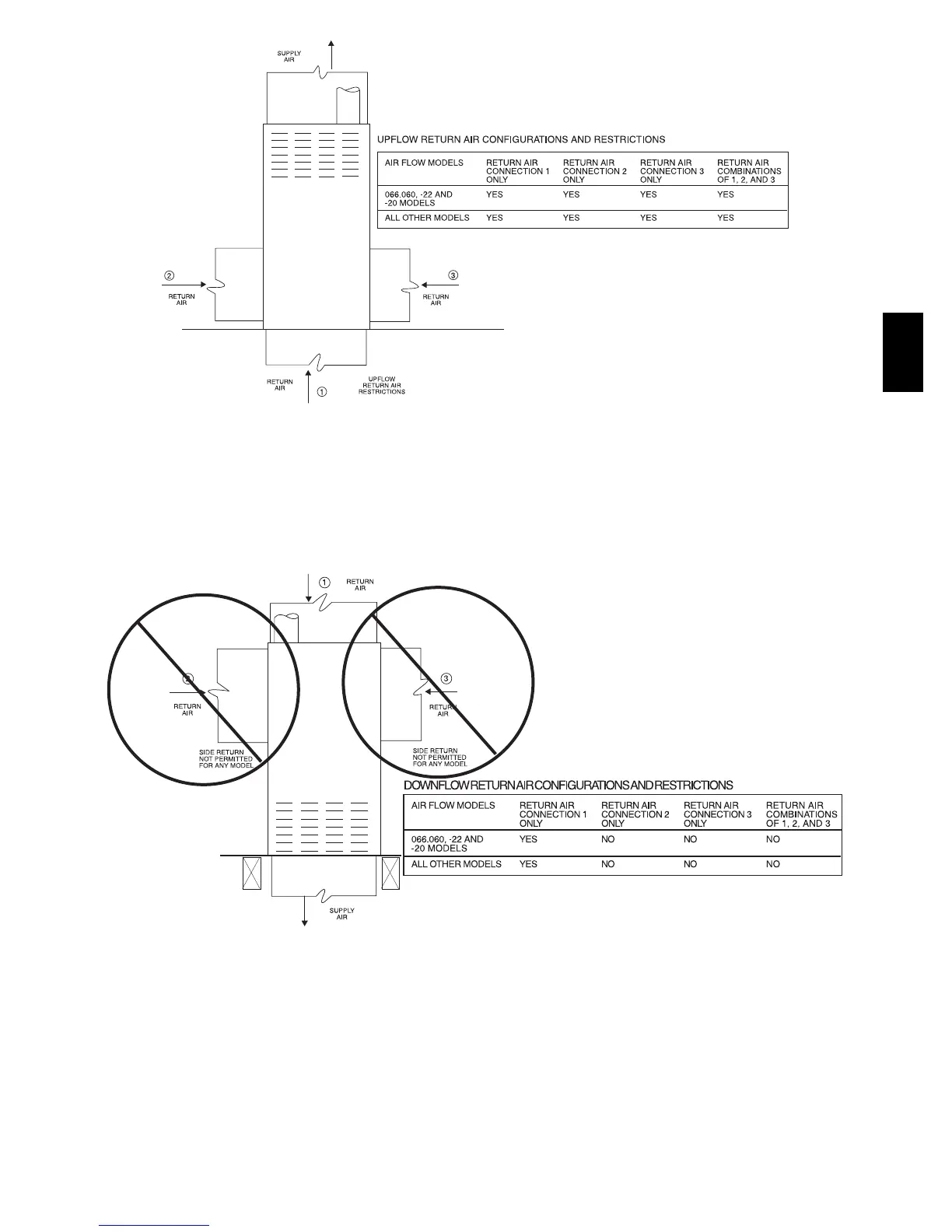
Fig. 18 -- Upflow Return Air Configurations and Restrictions
A02163
Fig. 19 -- Downflow Return Air Configurations and Restrictions
313A

Related product manuals