EasyManua.ls Logo

Bryant 340AAV - Page 32

Bryant 340AAV
60 pages
Print Icon
To Next Page IconTo Next Page
To Next Page IconTo Next Page
To Previous Page IconTo Previous Page
To Previous Page IconTo Previous Page
Loading...
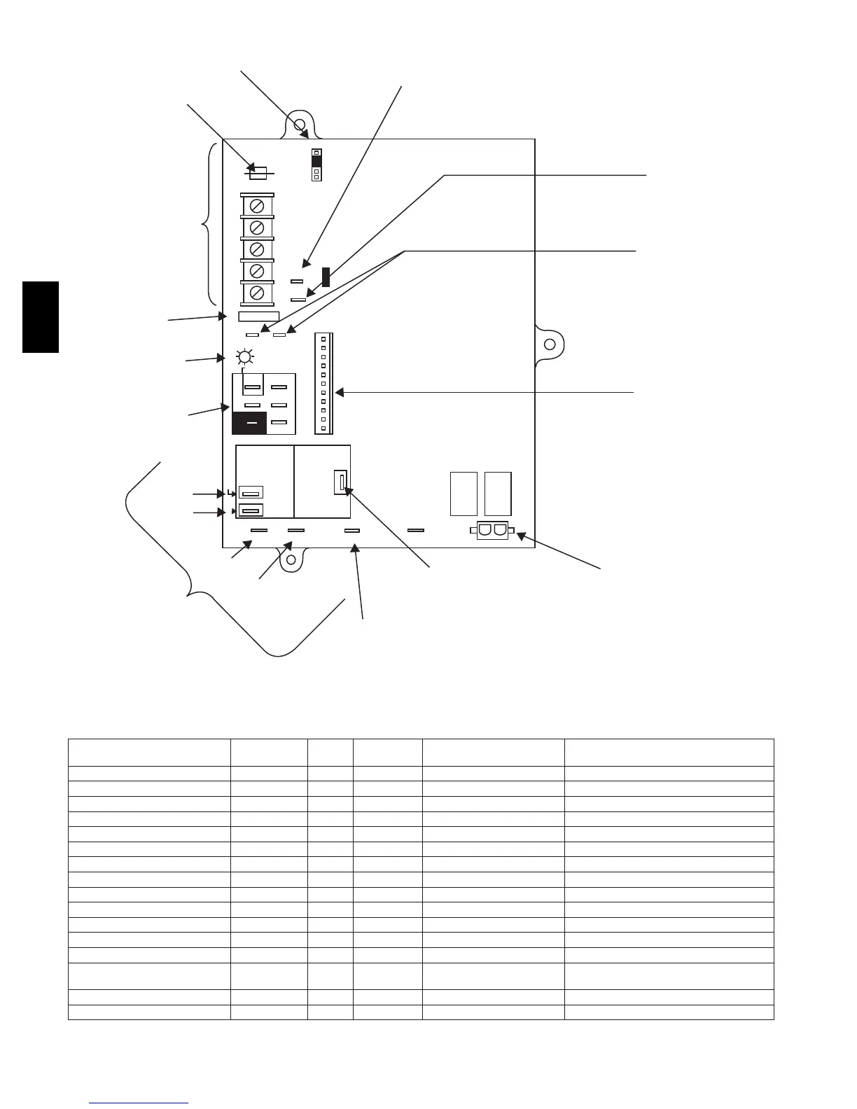
-- 3 2 --
BLW
NUETRAL
STATUS CODE LED
SEC-2 SEC-1
EAC-2 L2
FUSE 3-AMP
0.5 AMP@24VAC
HUM
TEST/TWIN
G Com W Y R
24V
120 180
90 150
BLOWER OFF-DELAY
PLT 1
COOL HEAT
SPARE-1 SPARE-2
EAC-1
1-AMP@
115VAC
PR-1
L1
PL2 1
24-V THERMOSTAT
TERMINALS
3-AMP FUSE
LED OPERATION &
DIAGNOSTIC LIGHT
115-VAC(L2)NEUTRAL
CONNECTIONS
COOL
HEAT
SPARE-1
SPARE-2
BLOWER SPEED
SELECTION TERMINALS
EAC-1 TERMINAL
(115-VAC 1.0 AMP MAX.)
115 VAC (L1) LINE
VOLTAGE CONNECTION
PL2-HOT SURFACE
IGNITER & INDUCER
MOTOR CONNECTOR
PL1-LOW VOLTAGE MAIN
HARNESS CONNECTOR
TRANSFORMER 24-VAC
CONNECTIONS
HUMIDIFIER TERMINAL
(24-VAC 0.5 AMP MAX.)
TWINNING AND/OR
COMPONENT TEST
TERMINAL
BLOWER OFF-DELAY
J2
J2 JUMPER
PLT
A02100
Fig. 34 -- Control Board
Table 7 Approved Combustion-Air and Vent Pipe, Fitting and Cement Materials
ASTM SPECIFICATION
(MARKED ON MATERIAL)
MATERIAL PIPE FITTINGS
SOLVENT CEMENT
AND PRIMERS
DESCRIPTION
D1527 ABS Pipe Sc h ed u l e --- 4 0
D1785 PVC Pipe Sc h ed ul e --- 4 0
D2235 For ABS Solvent Cement For ABS
D2241 PVC Pipe S DR --- 2 1 & S D R --- 2 6
D2466 PVC Fittings Sc h ed u l e --- 4 0
D2468 ABS Fittings Sc he du le --- 4 0
D2564 For PVC Solvent Cement For PVC
D2661 ABS Pipe Fittings DWV at Schedule---40 IPS sizes
D2665 PVC Pipe Fittings DWV
F438 CPVC Fittings S c h e d ul e --- 4 0
F441 CPVC Pipe Sc he du le --- 4 0
F442 CPVC Pipe SDR
F493 For CPVC Solvent Cement For CPVC
F628 ABS Pipe
Cellular Core DWV at Schedule---40
IPS sizes
F656 For PVC Primer For PVC
F891 PVC Pipe Cellular Core Schedule---40 & DWV
340AAV

Other manuals for Bryant 340AAV

Related product manuals