EasyManua.ls Logo

Bryant 394HAD - Page 7

Bryant 394HAD
8 pages
Print Icon
To Next Page IconTo Next Page
To Next Page IconTo Next Page
To Previous Page IconTo Previous Page
To Previous Page IconTo Previous Page
Loading...
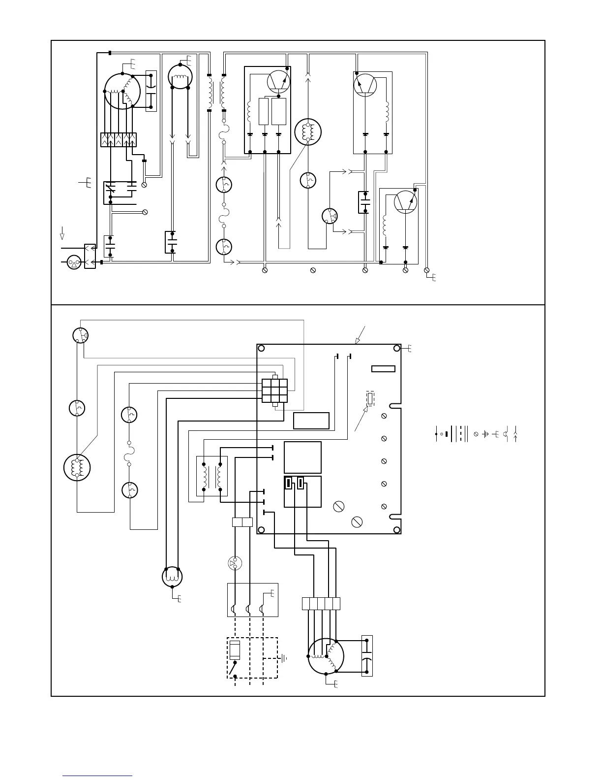
Fig. 9—Unit Wiring Diagram
A92176
FU1
IDR
PL1-3
PR-1
PR-2
SEC-1
SEC-2
TRAN
24VAC
115VAC
BLWM
LO
MED LO
MED HI
HI
COM
CAP
L2
COM
4
3
2
1
C
CFRHFR
PL4
NOTE#4
NOTE#8
EAC-1
EAC-2
L1
ILK
EQUIPMENT GROUND
TO 115V AC FIELD DISCONNECTIONS
NOTE #5
NOTE#10
PL2
L1 L2
PL1-1
IDR
PL1-4
ALSFLLS
PL1-7
R
Y
W
G
C
NOTE #1
CFR
NOTE #10
PL1-2PL1-6
NC
NO
PRS
C
DSS
TH TR
PILOT
MGV
GV
PL1-8
TIME
DELAY
LOGIC
HFR
3A
FUSE
PL1-9
(WHEN USED)
NOTE #7
SCHEMATIC
DIAGRAM
MGV
1 4 7
2 5 8
3 6 9
BLWM
MED LO
MED HI
HI
COM
LO
CAP
PRS
C
NO
NC
DSS
BRNTH
PILOT
GV
TR
ALS
(WHEN USED)
NOTE #7
FL
LS
ORN
YEL
BRN
BLU
RED
BLK
RED
BLU
BLK
BLK
BLU
REDWHT
TRAN
WHT
ILK
NOTE #5
WHT
BLK
IDM
GRN
JB
GRN
BLK
WHT
FU2
FUSED DISCONNECT
SWITCH (WHEN REQ'D)
BRN BRN
WHT
BLK
RED
WHT
BLK
COM
PR2 L2
L1
PR1
HFRCFR
LO
HI
NOTE #10
EAC-1
EAC-2
W Y R C G
NOTE #9
PCB
NOTE #1
GROUND
SCREW
REQ'D
FU1
3AMP
FUSE
NOTE #8
SEC-1
SEC-2
IDR
PL1
CONNECTION
DIAGRAM
JUNCTION
TERMINAL
PCB TERMINAL
FACTORY POWER WIRING (120VAC)
FACTORY CONTROL WIRING (120VAC)
FIELD POWER WIRING (120VAC)
CONDUCTOR ON PCB
FIELD WIRING SCREW TERMINAL
FIELD GROUND
EQUIPMENT GROUND
FIELD SPLICE
PLUG RECEPTACLE
AUX. LIMIT SWITCH (OVER TEMP), SPST-(N.C.),
MANUAL RESET
BLOWER MOTOR
CAPACITOR
COOLING FAN RELAY, SPDT
DRAFT SAFEGUARD SWITCH, SPST-(N.C.), MANUAL RESET
ELECTRONIC AIR CLEANER CONNECTION (115VAC)
ELECTRONIC AIR CLEANER CONNECTION (COMMON)
FUSE, 3 AMP, AUTOMOTIVE BLADE TYPE
FUSE, FIELD INSTALLED
FUSIBLE LINK
GAS VALVE, (REDUNDANT)
HEATING FAN RELAY, SPST (N.O.)
INDUCED DRAFT MOTOR
INDUCER DRAFT RELAY, DPST-(N.O.)
BLOWER DOOR INTERLOCK SWITCH, SPST-(N.O.)
JUNCTION BOX
LIMIT SWITCH (OVER TEMP), SPST-(N.C.), AUTO RESET
PRINTED CIRCUIT BOARD (FURNACE CONTROL)
9-CIRCUIT CONNECTOR (PCB1)
2-CIRCUIT CONNECTOR (L1, L2)
5-CIRCUIT PLUG CONNECTOR (BLWM)
PRESSURE SWITCH, SPDT
TRANSFORMER (115VAC/24VAC)
ALS
BLWM
CAP
CFR
DSS
EAC-1
EAC-2
FU1
FU2
FL
GV
HFR
IDM
IDR
ILK
JB
LS
PCB
PL1
PL2
PL4
PRS
TRAN
LEGEND
NOTES:
1. INTERNALLY CONNECTED TO EQUIPMENT GROUND THROUGH MOUNTING SCREW.
2. IF ANY OF THE ORIGINAL EQUIPMENT WIRE IS REPLACED, USE WIRE RATED FOR
105° C.
3. BLOWER MOTOR (BLWM) & INDUCER MOTOR (IDM) CONTAIN AUTO-RESET
THERMAL OVERLOAD SWITCH.
4. BLOWER MOTOR FACTORY SPEED SELECTIONS (PL4) ARE FOR AVERAGE
CONDITIONS. SEE INSTALLATION INSTRUCTIONS FOR DETAILS ON OPTIMUM
SPEED SELECTIONS.
5. USE ONLY COPPER WIRE BETWEEN THE DISCONNECT SWITCH AND THE
FURNACE JUNCTION BOX (JB).
6. SYMBOLS ARE ELECTRICAL REPRESENTATIONS ONLY.
7. AUXILIARY LIMIT SWITCH (ALS) USED ON DOWNFLOW MODELS ONLY.
8. THE TRANSFORMER 24VAC WINDING IS PROTECTED BY A 3 AMP AUTOMOTIVE
BLADE TYPE FUSE ON THE CONTROL BOARD. A 24VAC SHORT TO GROUND
DURING INSTALLATION, CHECKOUT, OPERATION, SERVICE OR MAINTENANCE
COULD CAUSE THIS FUSE TO OPEN. DO NOT REPLACE THE 3 AMP FUSE
WITH ANY OTHER SIZE FUSE.
9. BLOWER MOTOR (BLWM) ADJUSTABLE OFF-DELAY. FACTORY SET: 120 SECS.
CUT RESISTOR: 180 SECS.
10. WHEN CFR RELAY IS ENERGIZED, HFR RELAY IS ALSO ENERGIZED.
319593-401 REV. C
RED
WHT
4
3
2
1
C
PL2
1
2
NOTE #4
PL4
IDM
IDR
—7—

Other manuals for Bryant 394HAD

Related product manuals