EasyManua.ls Logo

Bryant Evolution 284ANV Series - Page 14

Bryant Evolution 284ANV Series
40 pages
Print Icon
To Next Page IconTo Next Page
To Next Page IconTo Next Page
To Previous Page IconTo Previous Page
To Previous Page IconTo Previous Page
Loading...
186CNV / 284ANV: Service Manual
Manufacturer reserves the right to change, at any time, specifications and designs without notice and without obligations.
14
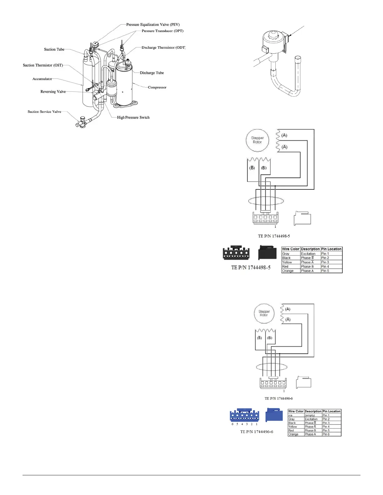
A200047
Fig. 14 – Suction Thermistor (OST) and Discharge Thermistor
(ODT) Mounting Locations
If ODT sensor fails, compressor operation will be limited to 2700rpm.
When ODT is faulted, the reported value of ODT will be 47°F.
Outdoor Suction Temperature (OST) Thermistor (284ANV Only)
The OST thermistor is used for calculating suction super heat during
heating operation.. The OST thermistor must be secured tightly to the
suction tube and aligned longitudinally to the vertical surface of the tube
axis (see Fig. 14).
If OST sensor should fail, cooling operation will be unaffected, but
heating operation will be disabled. OST faults are displayed as critical
faults even during cooling operation so that service may be performed
before heating is required..
Pressure Sensors
The equipment contains two pressure transducers:
Suction Pressure Transducer (SPT)
Discharge Pressure Transducer (DPT)
The two transducers are identical parts installed on the suction inlet to
the compressor and discharge outlet of the compressor respectively. The
transducers have a sensing range of 0 to 620 psig. The connection points
to the PCM are labeled P1 and P2. These two connection points are
identical. Either pressure transducer can connected to either input. The
software in the PCM detects which transducer is connected to which
input and assigns the signals accordingly.
Signals used by control board for:
Low pressure cut- out
Loss of charge management,
Compressor reliability management
Discharge pressure cut-out
Suction and Discharge super heat calculations
If the accuracy of either transducer is questioned, it can be checked
while attached to the PCM. Connect a gauge manifold to the appropriate
gauge port fitting and compare the gauge reading with the pressure
reported by the PCM to the Evolution Control or to the Bryant Service
Tech App. The connections at the PCM should be swapped to ensure the
discrepancy is not related to PCM translation of transducer input signal.
If suspect pressure measurement error follows transducer when
connections are switched, replace transducer. If the If the suspect
pressure measurement error changes to the other transducer when the
connections are switched, replace the PCM.
Electronic Expansion Valves (EXV, Fig. 15)
While the EXV-H and EXV-VI valve bodies are different for different
models, the stator for all valves have the same electrical properties. The
EXV coil resistance should fall between 43 and 49 ohms when mea
sured
from common to remaining terminals. See Fig. 16 and Fig. 17.
A200182
Fig. 15 – Electronic Expansion Valve (EXV)
A200215
Fig. 16 – 284ANV EXV 5-wire Harness
Heating EXV
A200216
Fig. 17 – 186CNV060 / 284ANV060 EXV 6-wire Harness
Vapor I n j ec tion EXV

Related product manuals