EasyManua.ls Logo

BSA WDM20 - Engine Adjustments; Oil Pressure Valves; Exhaust Valve Lifter

BSA WDM20
48 pages
Print Icon
To Next Page IconTo Next Page
To Next Page IconTo Next Page
To Previous Page IconTo Previous Page
To Previous Page IconTo Previous Page
Loading...
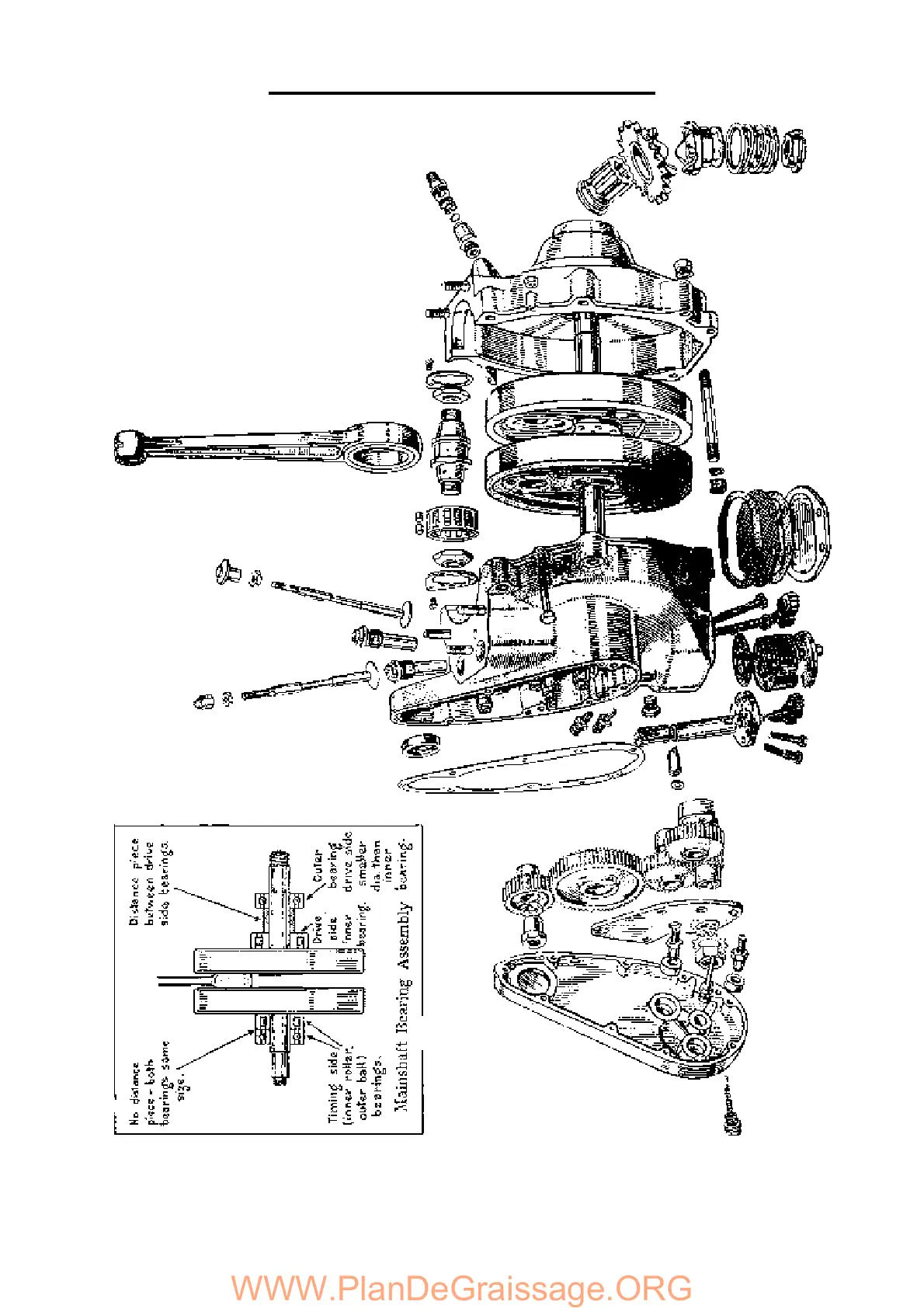
THE ENGINE – EXPLODED VIEW
Fig.4. Crankcase half of engine (exploded view)
7
WWW.PlanDeGraissage.ORG

Related product manuals