EasyManua.ls Logo

Bticino Classe 300 EOS KIT - Page 76

Bticino Classe 300 EOS KIT
84 pages
Print Icon
To Next Page IconTo Next Page
To Next Page IconTo Next Page
To Previous Page IconTo Previous Page
To Previous Page IconTo Previous Page
Loading...
76
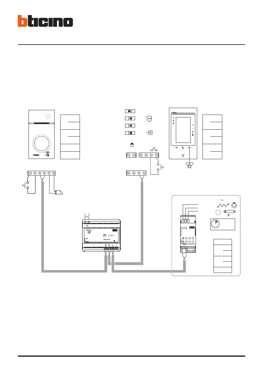
Comando luci scale
Staircase light control
Commande lumières escaliers
Treppenlichtsteuerung
Mando luces escaleras
Bediening lichten trapzaal
Comando das luzes da escada
Sterowanie oświetleniem na
klatce schodowej
ON = 3’
2
3
1 32
1
NC
2A
cos =0,5
M
P
=
=
=
=
N
M
=
=
BUS-AV
2 1
15MBUS-MH
B
(OFF) 2-1 (ON)
(ON) (OFF)
(OFF) MASTER (ON)
(OFF) (ON)
N
=
=
=
=
T
S
P
=
=
A
230 Vac
346210
C
NO
230V
6A
346210
BUS S+ S-PL
MOD
=
M
=
=
N/P
=
=
T =

Related product manuals