EasyManua.ls Logo

Bticino Classe 300 EOS KIT - Page 77

Bticino Classe 300 EOS KIT
84 pages
Print Icon
To Next Page IconTo Next Page
To Next Page IconTo Next Page
To Previous Page IconTo Previous Page
To Previous Page IconTo Previous Page
Loading...
Classe 300 EOS KIT
77
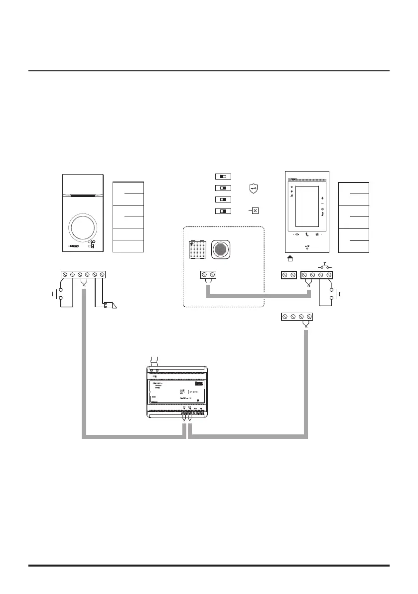
Suoneria supplementare
Additional bell
Sonnerie supplémentaire
Zusätzliche Läutwerk
Timbre adicional
Supplementaire beltoon
Toque suplementar
Dodatkowy dzwonek
P
=
=
=
=
N
M
=
=
BUS-AV
2 1
15M
BUS-MH
B
(OFF) 2-1 (ON)
(ON) (OFF)
(OFF) MASTER (ON)
(OFF) (ON)
1 5
336910
336992
336993
336994
N
=
=
=
=
T
S
P
=
=
A
BUS S+ S-PL
230 Vac

Related product manuals