EasyManua.ls Logo

Bunn IMIX-5 - Page 14

Bunn IMIX-5
17 pages
Print Icon
To Next Page IconTo Next Page
To Next Page IconTo Next Page
To Previous Page IconTo Previous Page
To Previous Page IconTo Previous Page
Loading...
14
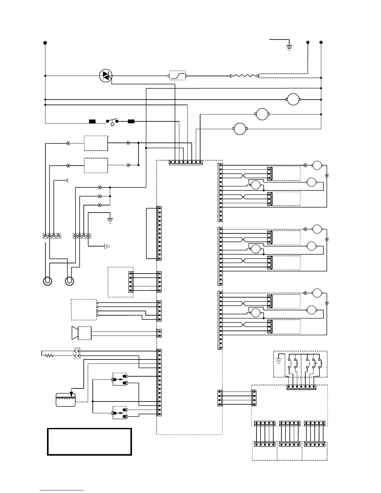
$Ú"5../-!4)##/20/2!4)/.
6/,43!#7)2%
6/,43!#7)2%
3).',%0(!3%(:
3#(%-!4)#7)2).'$)!'2!-
I-)8
'2.
,
",+
",+
",+
",+
",+ ",+
4!.+(%!4%2
,)-)4
4(%2-/34!4
7()
7()
7()
7()
.,
",+
&!.
7HITE3TRIP4AC0LUS
"LACK)NK
&INISHED3IZEX
2EDUCTION
*
*
*
#
/
.
4
2
/
,
#
)
2
#
5
)
4
"
/
!
2
$
3/,
2%&),,6!,6%
42)!#
4!.
2%$
7()
",+
",+
'29
-
*
*
*
*
*
*
*
*
*
*
*
*
*
*
*
*
*
*
*
*
*
2)'(4
,!-0!339
,%&4,!-0
!339
2%$ 2%$
/6%2&,/7
02/4%#4)/.37
"!,,!34
",+2%$",+
'2.",+
",5",+
2%$7()
'2.7()
",57()
",+
"!,,!34
",+
",+
",+
",+
*
*
66!#
42!.3&/2-%2
",+
7()
9%,
9%,
'2.
7()
2%$
",+
7()
0.+
'2.
7() 7()
7()
7()
'2.
2%$",+
'2.",+
",5",+
2%$7()
'2.7()
",57()
'2.
7()2%$
7()'2.
7()
7()
'2.
"%%0%2
2%$
",+
",+
02/"%
/.
/&&
.)'(4
25.
02/'2!-
2).3%
7()'2.
7()9%,
7()6)/
7()",5
'2.
2%$
/2.
",5
7()
'2.
'2.
T
7()
",+
** ** **
** ** **
*
*
$)30,!9"/!2$
37)4#(
"/!2$
37)4#(
"/!2$
37)4#(
"/!2$
",5
9%,
/2.
",+
2%$
",5
9%,
/2.
",+
2%$
",5
9%,
/2.
",+
2%$
*
*
4/5#(0!$
!5'%2-/4/2
30%%$3%.3/2

(/00%2%-049
$%4%#43%.3/2

-
$)30%.3%6!,6%
!5'%2
7()00%2
"2.7()
'2.
2%$
",+
"2.",+
7()
4! .
7()
",+
",+
",+
'2.
!5'%2-/4/2
30%%$3%.3/2

(/00%2%-049
$%4%#43%.3/2

-
$)30%.3%6!,6%
!5'%2
7()00%2
'2.
2%$
2%$
7()2%$
7()/2.
/2.
",+
7()
2%$
7()
'2.
!5'%2-/4/2
30%%$3%.3/2

(/00%2%-049
$%4%#43%.3/2

-
$)30%.3%6!,6%
!5'%2
7()00%2
'2.
2%$
",+
7()
/2.
7()
'2.
2%$7)2%-/$%,3
7()7)2%-/$%,3
-%-/29
"/!2$
3/,
(/47!4%2
/04)/.!,
3/,
-
3/,
-
3/,
-
*
*
*
'2.
37510 012805

Other manuals for Bunn IMIX-5

Related product manuals