EasyManua.ls Logo

Bunn IMIX-5 - Page 16

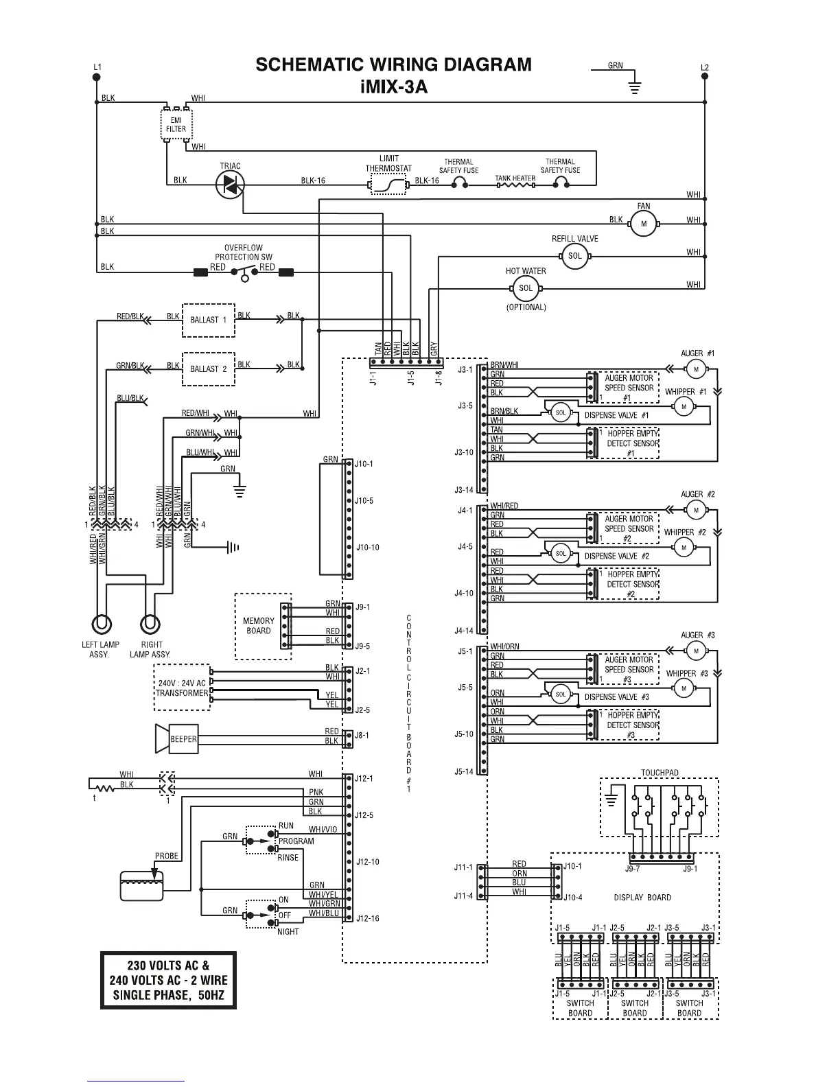
Bunn IMIX-5
17 pages
Print Icon
To Next Page IconTo Next Page
To Next Page IconTo Next Page
To Previous Page IconTo Previous Page
To Previous Page IconTo Previous Page
Loading...
16
37510 090407

Other manuals for Bunn IMIX-5

Related product manuals