EasyManua.ls Logo

Bunn OT - Page 54

Bunn OT
176 pages
Print Icon
To Next Page IconTo Next Page
To Next Page IconTo Next Page
To Previous Page IconTo Previous Page
To Previous Page IconTo Previous Page
Loading...
,
BUNN@
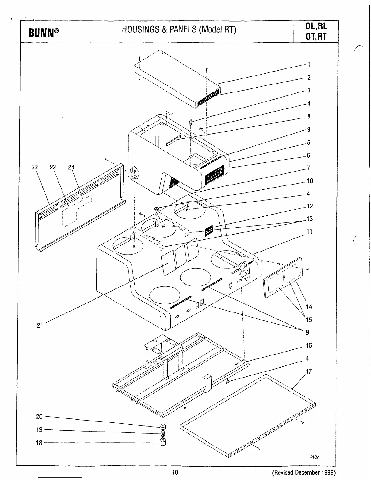
HOUSlNGS&PANELS(ModelRT)
OL,RL
OT,RT
P1651
IO
(Revised December 1999)
Part I

Other manuals for Bunn OT

Related product manuals