EasyManua.ls Logo

Bunn OT - Page 66

Bunn OT
176 pages
Print Icon
To Next Page IconTo Next Page
To Next Page IconTo Next Page
To Previous Page IconTo Previous Page
To Previous Page IconTo Previous Page
Loading...
BUNN@
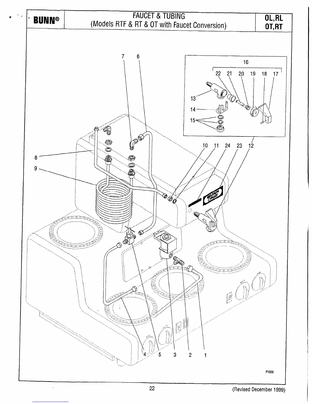
FAUCET & TUBING
(Models RTF & RT & OT with Faucet Conversion)
OL,RL
OT,RT
7 6
.-..,.
. . . . .
..
. . . . .
16
' 22 21
2,O
19 18
17
I
P1656
22
(Revised Decemberl999)
Part I

Other manuals for Bunn OT

Related product manuals