EasyManua.ls Logo

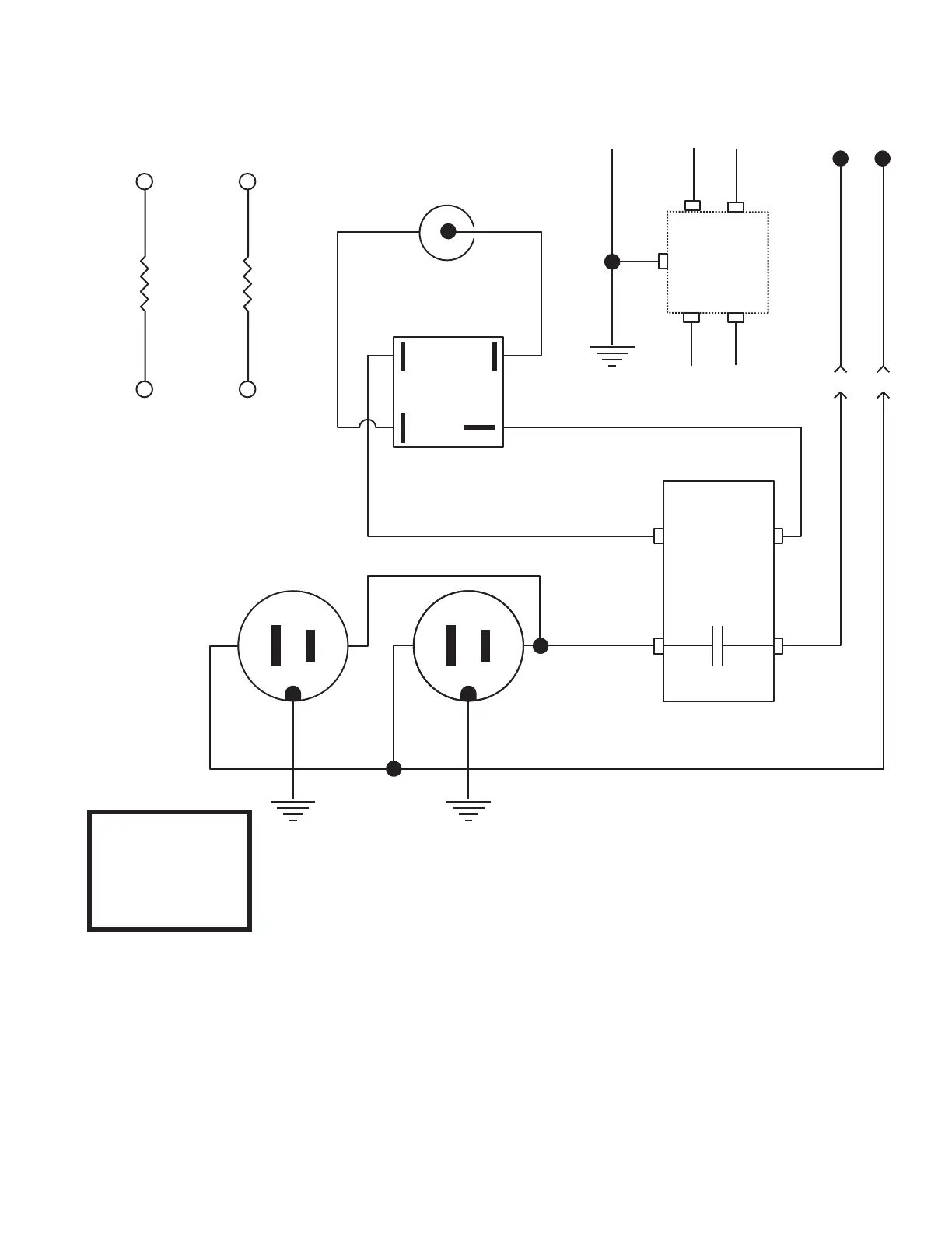
Bunn ULTRA-2A - Schematic Wiring Diagram PAFP

Bunn ULTRA-2A
73 pages
Print Icon
To Previous Page IconTo Previous Page
To Previous Page IconTo Previous Page
Loading...
73
41084 032715
EMI
FILTER
GND
GRN
GRNGRN
301k
GRN
WHT
WHT
WHT
BLK
WHT
BLK
BLK
BLK
BLU
BRB
GRN or GRN/YEL
WHT
BLU/BLK
BLU/BLK
RED/BLK
BRN/BLK
BLK
L1 N
AB
L1
L2
RELAY
RECTIFIER
RCA PLUG
CHASSIS
GND
CHASSIS
GND
PROBE DETECTOR
LEFT RIGHT
GRNGRN
301k
C
120V OR
220-240 VOLTS AC
2 WIRE
SINGLE PHASE
50/60 HZ
51454.000OA 03/15 © 2015 BUNN-O-MATIC CORPORATION
SCHEMATIC WIRING DIAGRAM PAFP

Related product manuals