EasyManua.ls Logo

Bush bauer a642f - Key Board

Bush bauer a642f
144 pages
Print Icon
To Next Page IconTo Next Page
To Next Page IconTo Next Page
To Previous Page IconTo Previous Page
To Previous Page IconTo Previous Page
Loading...
42”&47” LCD TV BAUER A642F&A647F
73
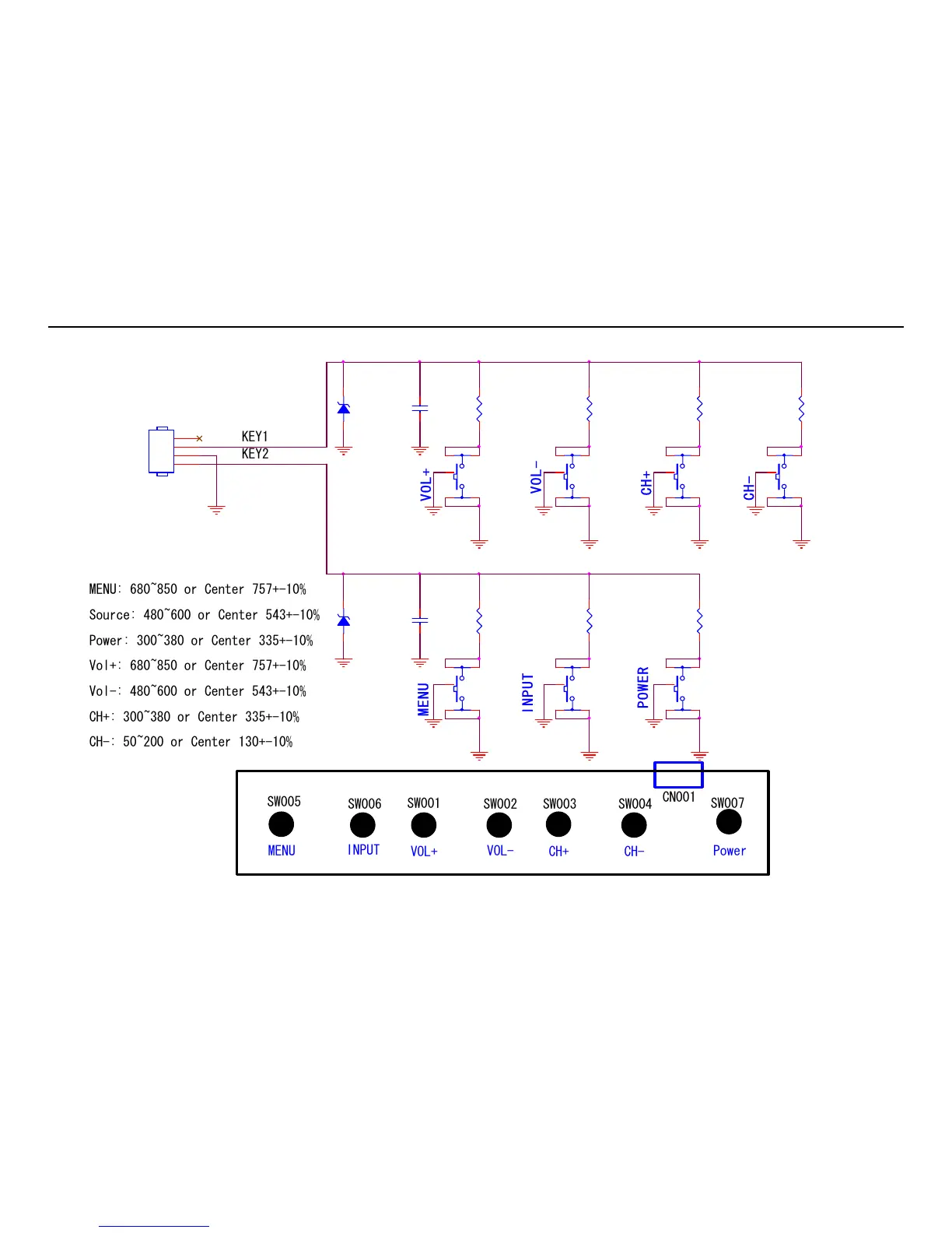
10.3 Key Board
715G3484 1
I
N
P
U
T
335
R004
470R 1/10W 1%
R002
4K3 1/10W 1%
S
W
0
0
6
C001
0.1uF/25V
M
E
N
U
:
6
8
0
~
8
5
0
o
r
C
e
n
t
e
r
7
5
7
+
-
1
0
%
1.08V
M
E
N
U
C
H
-
:
5
0
~
2
0
0
o
r
C
e
n
t
e
r
1
3
0
+
-
1
0
%
SW006
SW
2 1
34
5
543
SW007
SW
2 1
34
5
V
O
L
+
1.75V
V
o
l
+
:
6
8
0
~
8
5
0
o
r
C
e
n
t
e
r
7
5
7
+
-
1
0
%
P
o
w
e
r
V
O
L
-
C
H
+
M
E
N
U
C
N
0
0
1
R005
11K OHM 1% 1/10W
V
O
L
+
2.44V
R007
1.8K OHM 1% 1/10W
1.08V
S
W
0
0
2
K
E
Y
2
543
R006
4K3 1/10W 1%
ZD002
UDZSNP5.6B
1 2
S
W
0
0
7
1.75V
757 335
SW003
SW
2 1
34
5
757
130
C
H
-
K
E
Y
1
V
o
l
-
:
4
8
0
~
6
0
0
o
r
C
e
n
t
e
r
5
4
3
+
-
1
0
%
R003
1.8K OHM 1% 1/10W
S
o
u
r
c
e
:
4
8
0
~
6
0
0
o
r
C
e
n
t
e
r
5
4
3
+
-
1
0
%
SW001
SW
2 1
34
5
S
W
0
0
5
2.44V
SW005
SW
2 1
34
5
C002
0.1uF/25V
P
O
W
E
R
S
W
0
0
4
C
H
+
S
W
0
0
1
C
H
-
S
W
0
0
3
0.42V
SW004
SW
2 1
34
5
R001
11K OHM 1% 1/10W
ZD001
UDZSNP5.6B
1 2
P
o
w
e
r
:
3
0
0
~
3
8
0
o
r
C
e
n
t
e
r
3
3
5
+
-
1
0
%
I
N
P
U
T
CN001
CONN
1
2
3
4
C
H
+
:
3
0
0
~
3
8
0
o
r
C
e
n
t
e
r
3
3
5
+
-
1
0
%
SW002
SW
2 1
34
5
V
O
L
-

Related product manuals