EasyManua.ls Logo

CalderaSpas CELIO - Electrical Requirements; Electrical Installation; Conduit Installation Instructions

CalderaSpas CELIO
40 pages
Print Icon
To Next Page IconTo Next Page
To Next Page IconTo Next Page
To Previous Page IconTo Previous Page
To Previous Page IconTo Previous Page
Loading...
electrIcal requIrementS
ELECTRICAL
Your CALDERA spa has been carefully designed to give you maximum
safety against electrical shock. Connecting the spa to an improperly
wired circuit will negate many of the spa’s safety features. Improper
wiring may also cause electrocution, risk of fire, and other risks of
injuries. Please read and follow the electrical installation requirements
and instructions for your spa completely! Your spa must be supplied by
a ground fault circuit interrupter - residual current device (RCD) - with a
tripping rating not exceeding 30 mA in an electrical subpanel.
VACANZA SPAS MUST BE WIRED IN ACCORDANCE WITH ALL
APPLICABLE NATIONAL AND LOCAL ELECTRICAL CODES. ALL
ELECTRICAL WORK SHOULD BE DONE BY AN EXPERIENCED,
LICENSED ELECTRICIAN. WE RECOMMEND THE USE OF
APPROPRIATE ELECTRICAL CONDUIT, FITTINGS, AND WIRE FOR
ALL CIRCUITS.
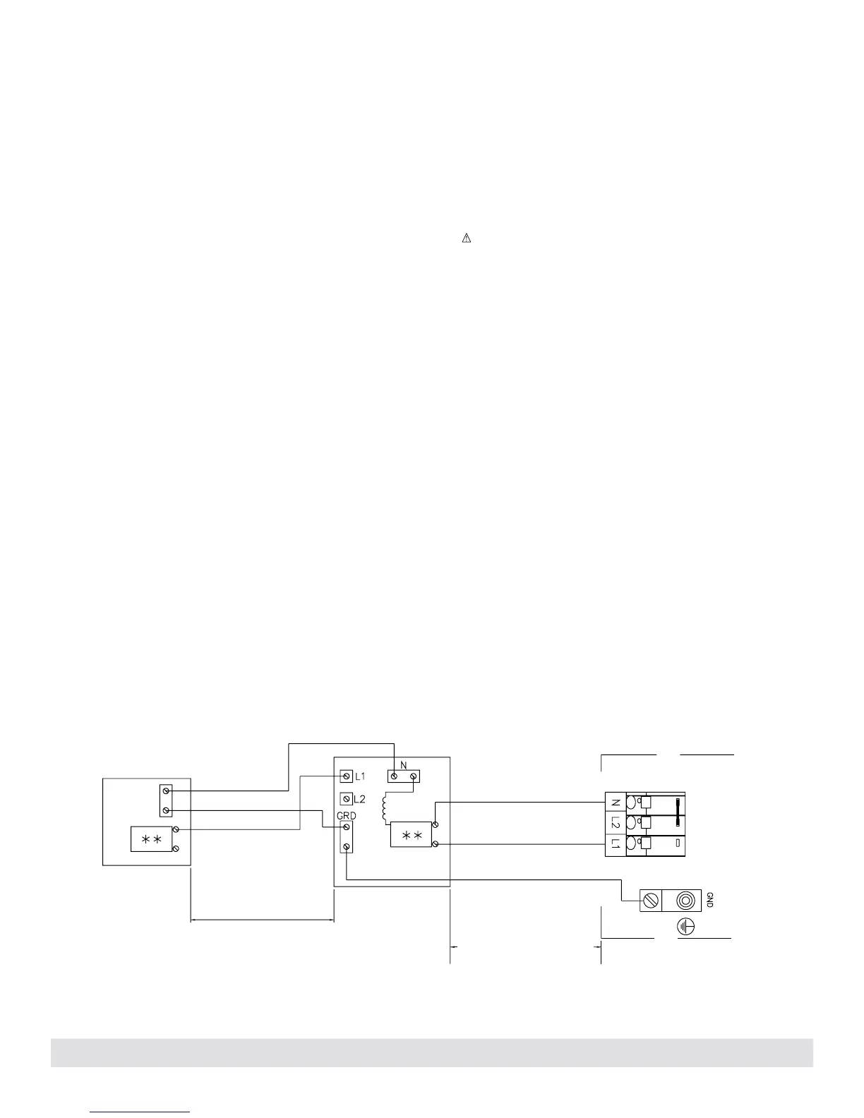
The MARINO, CAPITOLO, CELIO and AVENTINE spas require a 16
amp, single phase, 230 volt, three wire service (one line, one neutral,
one ground).
The AVENTINE can be converted to a 20 amp service allowing the
high speed jet pump to operate simultaneously with the heater. A
CALDERA Spa Technician must reconfigure spa using the soft jumpers
to allow the heater to run concurrent with jet pump.
The PALATINO spa requires a 20 amp single phase, 230 volt,
three wire service (one line, one neutral, one ground) found below.
Additionally, one main disconnect switch with at least 3 mm separation
between contacts must be used for all electrical circuits to the spa.
Mount the subpanel according to local codes, but not closer than 1.5
meters (5 feet) away.
CONDUIT INSTALLATION INSTRUCTIONS
1. To connect the electrical service, first remove the screws from the
equipment compartment door. Carefully pull the door panel down
and away in order to remove it completely from the spa.
2. Locate the control box. Loosen the screws on the front of the
control box. Remove the screws and the control box cover.
3. Route the electrical conduit through the access opening of the spa.
4. Connect the supply conduit to the control box and connect the
wiring as detailed on the next page, or on the wiring diagram label
on the inside of the control box cover.
WARNING: Removing or bypassing any GFCI breaker will result in an
unsafe spa and will void the spa’s warranty.
IMPORTANT: Should you ever find the need to move or relocate your
VACANZA spa, it is essential that you understand and apply these
installation requirements. Your VACANZA spa has been carefully
engineered to provide maximum safety against electric shock.
Remember, connecting the spa to an improperly wired circuit will negate
many of its safety features.
NOTE: Long wiring runs may require larger-gauge wire than stated.
230 VOLT 50HZ SUBPANEL WIRING
25A
16A
*20A
*
* 20A ONLY
20A
6.0 mm
2
(#10 AWG), Neutral, Blue
6.0 mm
2
(#10 AWG), Ground, Grn/Ylw
6.0 mm
2
(#10 AWG), Line, Brown
Less than 15 meters (50 ft.)
More than 1.5 meters (5 ft.
)
Main Service
Electrical Panel
220-240 VAC
Single Pole Circuit
Breaker (Non
GFCI)
Sub-Panel with
GFCI breaker
Less than 30 meters (100 ft.
)
Control Box
6.0 mm
2
, Neutral, Blue
6.0 mm
2
, Ground, Grn/Ylw
6.0 mm
2
, Line, Brown
11
Electrical

Related product manuals