EasyManua.ls Logo

Cameron WKM 370D6 - Page 7

Cameron WKM 370D6
29 pages
Print Icon
To Next Page IconTo Next Page
To Next Page IconTo Next Page
To Previous Page IconTo Previous Page
To Previous Page IconTo Previous Page
Loading...
7
TC-003001-30 / Rev 01
Feb-02
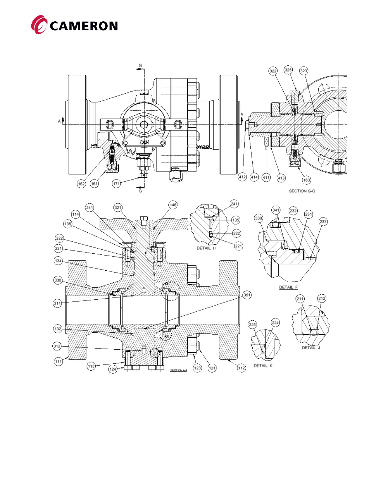
370D6 Standard Wrench Head Valve (see parts list in Table 2)
Figure 2 370D6 Series Standard Wrench Head Valve

Related product manuals