EasyManua.ls Logo

Camus Hydronics DFH750 - Page 49

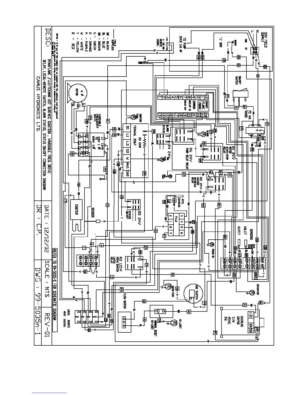
Camus Hydronics DFH750
53 pages
Print Icon
To Next Page IconTo Next Page
To Next Page IconTo Next Page
To Previous Page IconTo Previous Page
To Previous Page IconTo Previous Page
Loading...
46

Table of Contents

Related product manuals