EasyManua.ls Logo

Candy CDG6CEBWIFI - Elektrische Installation

Candy CDG6CEBWIFI
58 pages
Print Icon
To Next Page IconTo Next Page
To Next Page IconTo Next Page
To Previous Page IconTo Previous Page
To Previous Page IconTo Previous Page
Loading...
42
Elektrische Installation
Alle Installationen müssen von einer kompetenten Person oder einem
qualifizierten Elektriker durchgeführt werden. Stellen Sie vor dem Anschluss des
Netzteils sicher, dass die Netzspannung der Spannung auf dem Typenschild
entspricht.
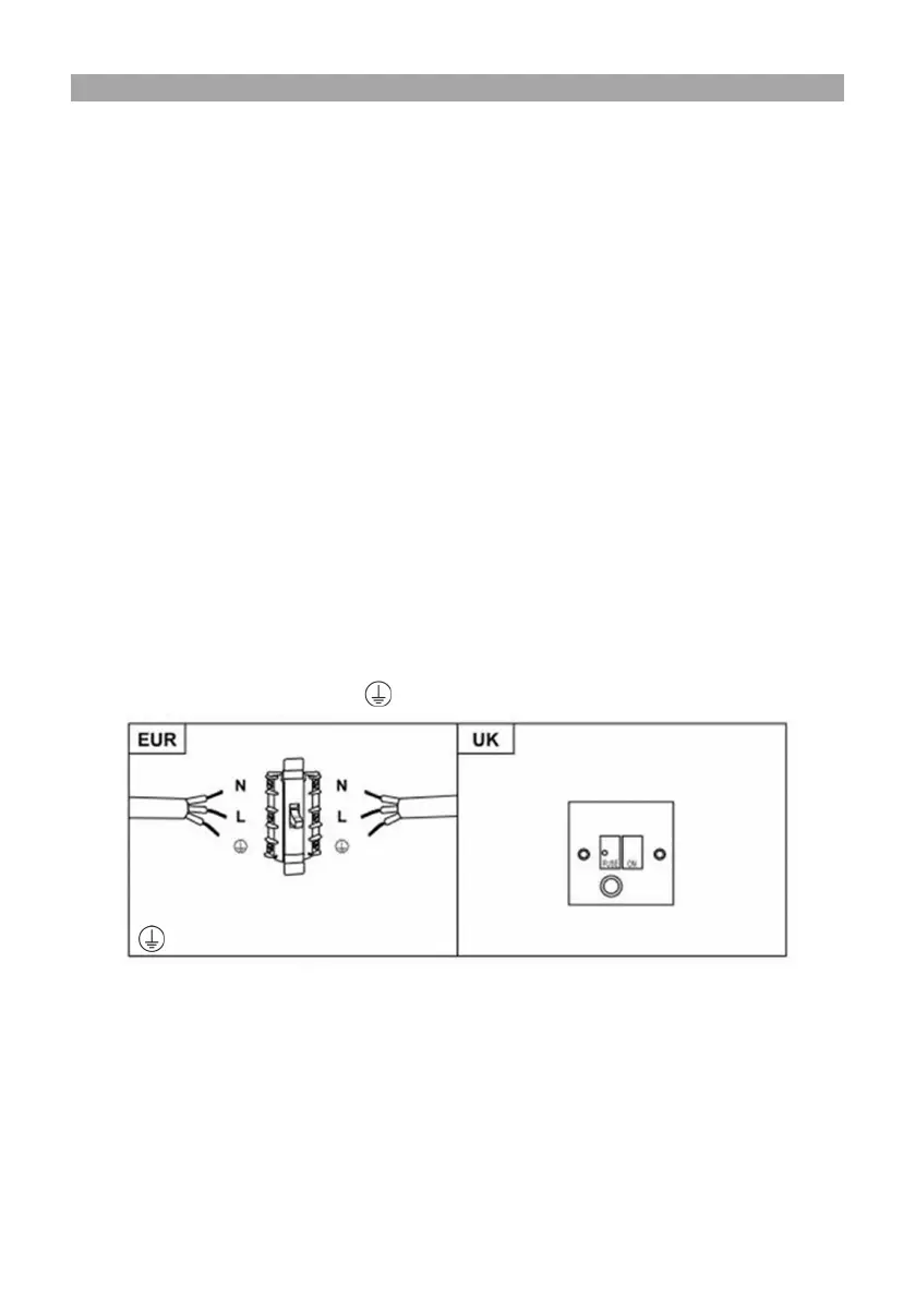
Direkter Anschluss
Das Gerät muss mit einem allpoligen Trennschalter mit einer Mindestöffnung
von 3 mm zwischen den Kontakten direkt an das Netz angeschlossen werden.
Der Installateur muss sicherstellen, dass die korrekte elektrische Verbindung
hergestellt wurde und dem Schaltplan entspricht.
Das Kabel darf weder geknickt noch gequetscht werden.
Überprüfen Sie regelmäßig den Netzstecker und das Netzkabel auf
Beschädigungen. Ein beschädigtes Netzkabel darf nur durch ein Spezialkabel
ausgetauscht werden, das entweder beim Händler oder bei seinem
technischen Kundendienst erhältlich ist.
WARNUNG: Dies ist ein Gerät der Klasse I und MUSS geerdet werden.
Dieses Gerät wird mit einem 3-adrigen Netzkabel geliefert, das wie folgt gefärbt
ist:
Braun = L oder Live (spannungsführend)
Blau = N oder Neutral
Grün und Gelb = E oder Erde
Die Sicherung muss für 3 Ampere ausgelegt sein.
N (Blau)
L
(Braun)
(Grün/Gelb)
EINE 3-AMPERE-SICHERUNG
VERWENDEN
2-POLIGER NETZANSCHLUSS MIT
SCHALTER UND SICHERUNG

Related product manuals