EasyManua.ls Logo

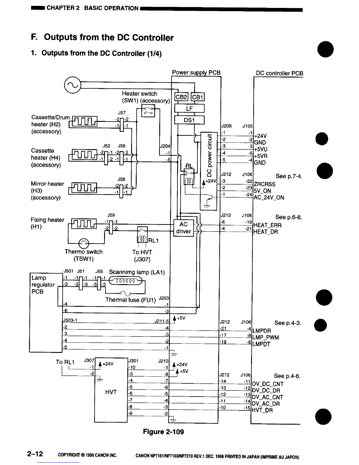
Canon NP7161 - Outputs from the DC Controller

Canon NP7161
394 pages
Print Icon
To Next Page IconTo Next Page
To Next Page IconTo Next Page
To Previous Page IconTo Previous Page
To Previous Page IconTo Previous Page
Loading...

Table of Contents

Related product manuals