EasyManua.ls Logo

Carrier 024-048 - Page 33

Carrier 024-048
41 pages
Print Icon
To Next Page IconTo Next Page
To Next Page IconTo Next Page
To Previous Page IconTo Previous Page
To Previous Page IconTo Previous Page
Loading...
: Service Manual
Manufacturer reserves the right to change, at any time, specifications and designs without notice and without obligations.
33
A210120
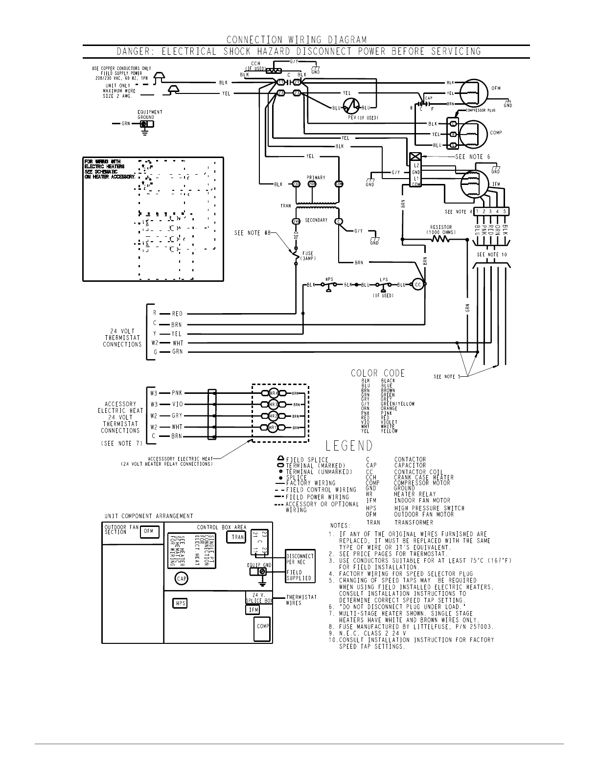
Fig. 33 – Typical Air Conditioning Single-Phase Unit Connection Electrical Diagram

Related product manuals