EasyManua.ls Logo

Carrier 17DA - Page 24

Carrier 17DA
32 pages
Print Icon
To Next Page IconTo Next Page
To Next Page IconTo Next Page
To Previous Page IconTo Previous Page
To Previous Page IconTo Previous Page
Loading...
24
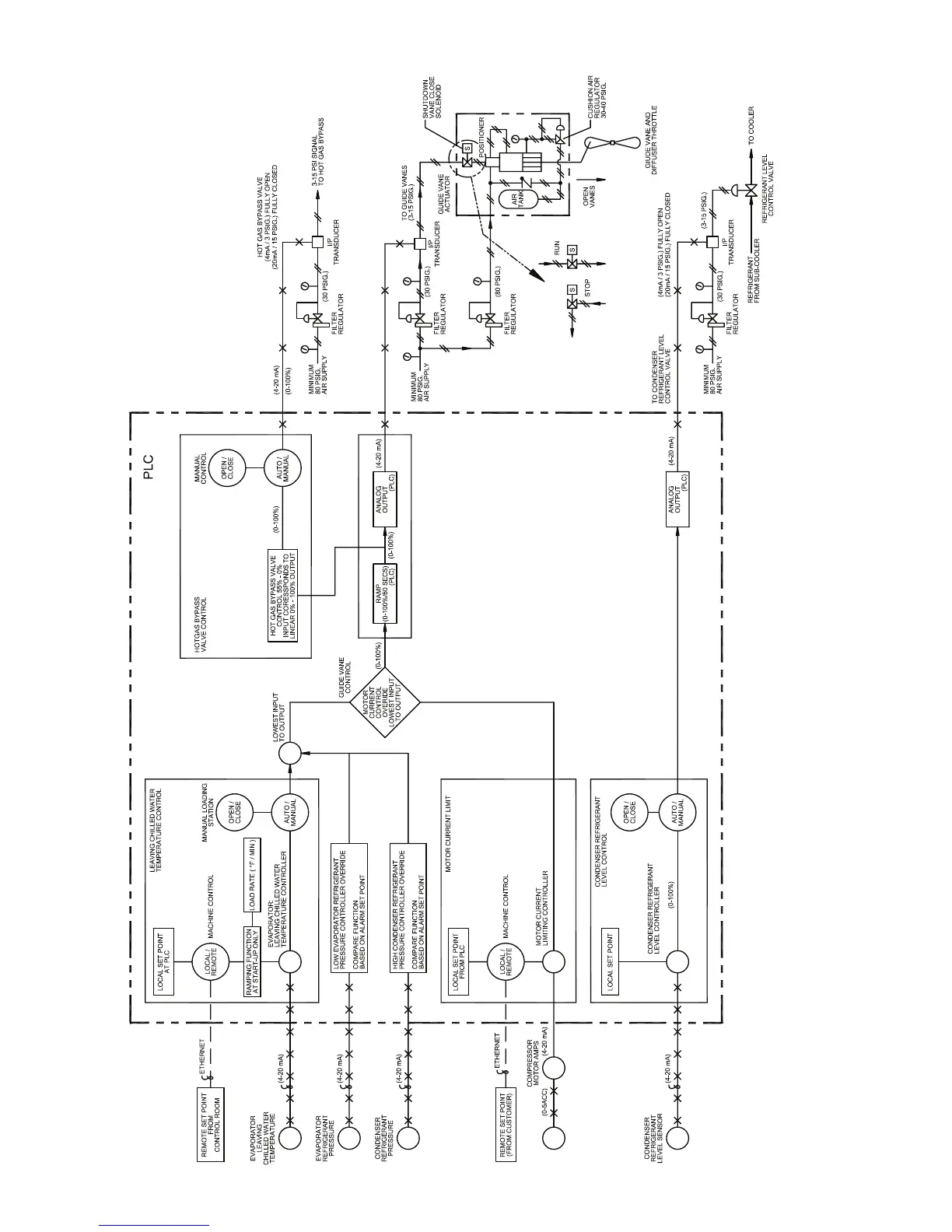
Fig. 10 — Typical 17DA Motor-Driven Machine Control Diagram
PLC — Programmable Logic Controller
a17-579

Table of Contents

Other manuals for Carrier 17DA

Related product manuals