EasyManua.ls Logo

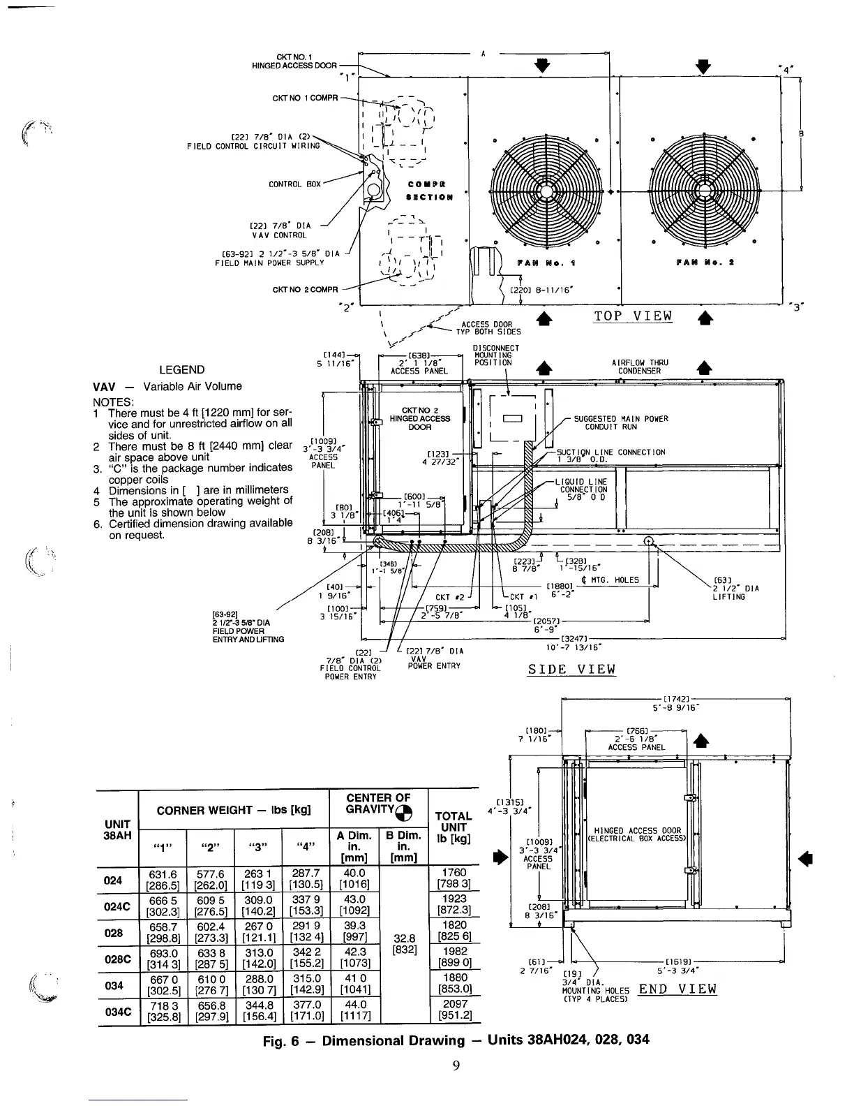
Carrier 38AH024-034 - Dimensional Drawing

Carrier 38AH024-034
26 pages
To Next Page IconTo Next Page
To Next Page IconTo Next Page
To Previous Page IconTo Previous Page
To Previous Page IconTo Previous Page
Loading...

Related product manuals